Operation CHARM
: Car repair manuals for everyone.
Home
>>
GMC
>>
2001
>>
C 1500 Yukon 2WD V8-5.3L VIN T
>>
Repair and Diagnosis
>>
Diagrams
>>
Electrical Diagrams
>>
Windows
>>
System Diagram
>>
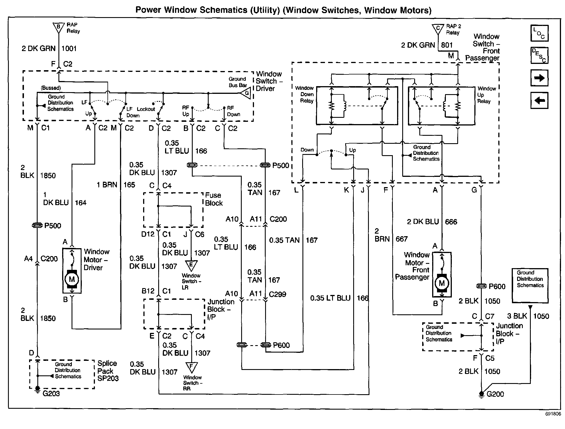
Power Window Switches & Regulator Motors
Power Window Switches & Regulator Motors
Power Window Schematics: Utility (Window Switches, Window Motors):