Operation CHARM
: Car repair manuals for everyone.
Home
>>
GMC
>>
2001
>>
C 1500 Yukon 2WD V8-5.3L VIN T
>>
Repair and Diagnosis
>>
Diagrams
>>
Electrical Diagrams
>>
Trailer Connector
>>
Heavy Duty Trailer Wiring
>>
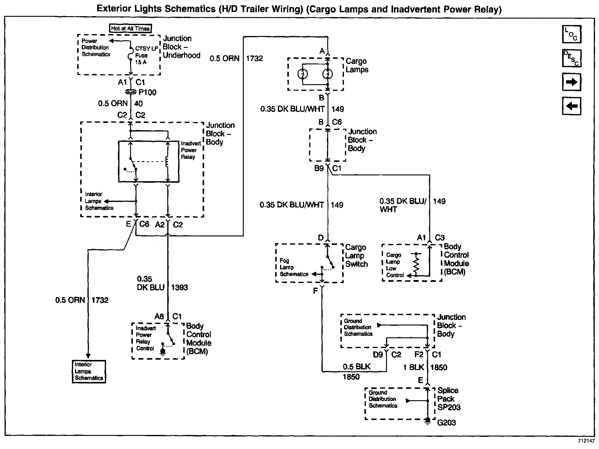
Cargo Lamps and Inadvertent Power Relay
Cargo Lamps and Inadvertent Power Relay
Exterior Lights Schematics: H/D Trailer Wiring (Cargo Lamps And Inadvertent Power Relay):