Operation CHARM
: Car repair manuals for everyone.
Home
>>
GMC
>>
2001
>>
C 1500 Yukon 2WD V8-5.3L VIN T
>>
Repair and Diagnosis
>>
Diagrams
>>
Electrical Diagrams
>>
Seats
>>
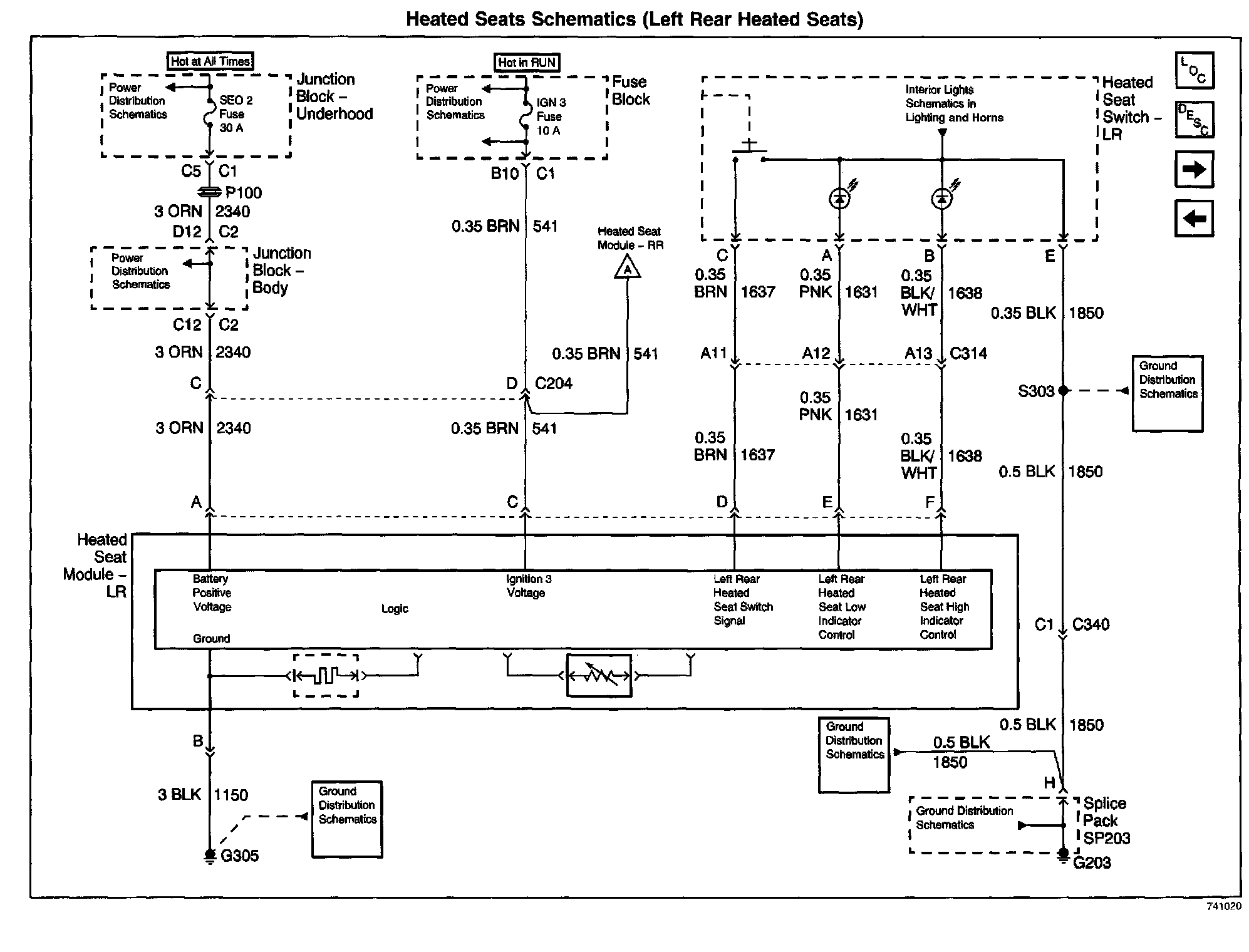
Heated Seats Schematics
>>
Left Rear Heated Seats
Left Rear Heated Seats
Heated Seats Schematics: Left Rear Heated Seats: