Operation CHARM
: Car repair manuals for everyone.
Home
>>
GMC
>>
2001
>>
C 1500 Yukon 2WD V8-5.3L VIN T
>>
Repair and Diagnosis
>>
Diagrams
>>
Electrical Diagrams
>>
Radio, Stereo, and Compact Disc
>>
System Diagram
>>
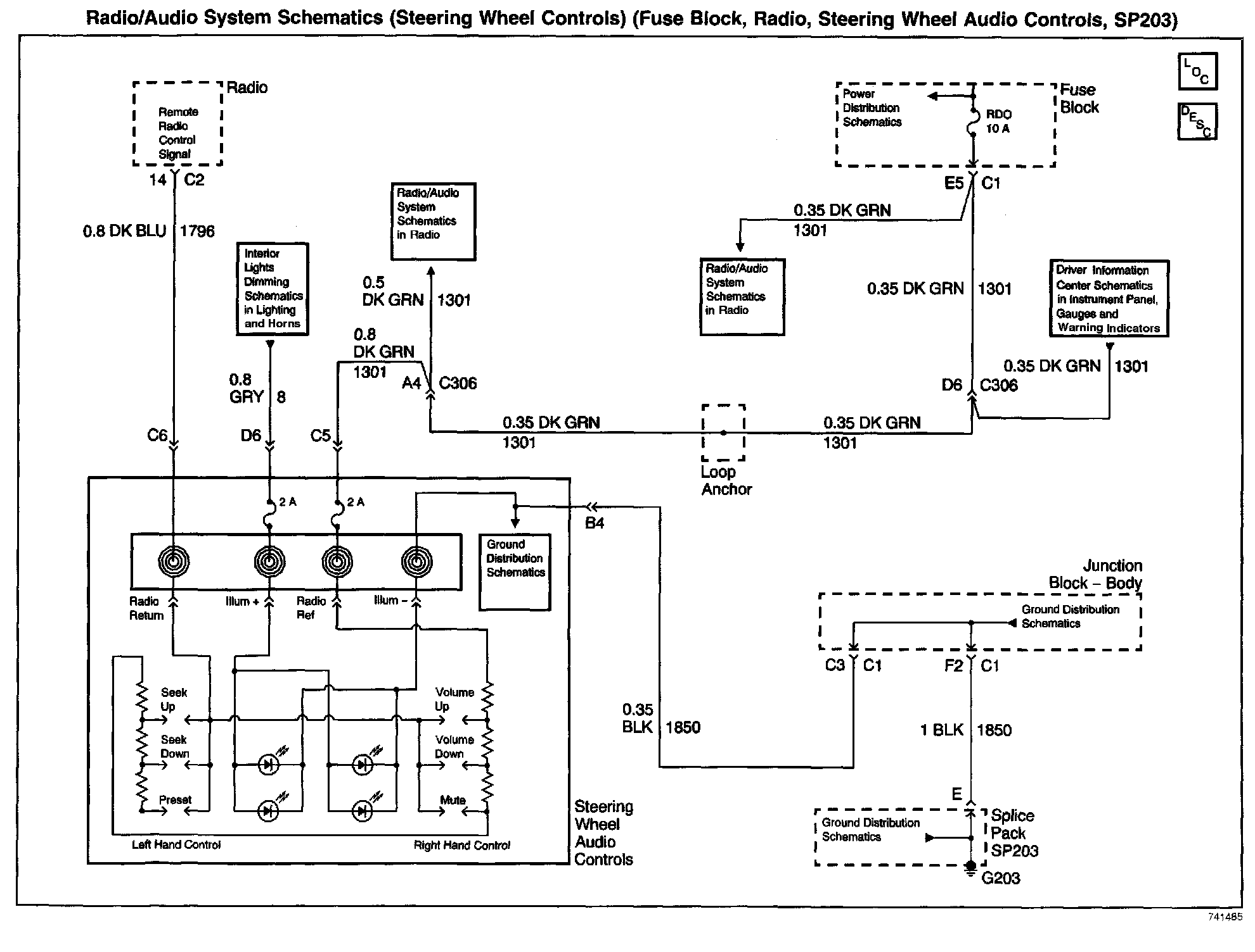
Steering Wheel Controls (Fuse Block, Radio, Steering Wheel Audio Controls, SP203)
Steering Wheel Controls (Fuse Block, Radio, Steering Wheel Audio Controls, SP203)
Radio/Audio System Schematics: Steering Wheel Controls (Fuse Block, Radio, Steering Wheel Audio Controls, SP203):