Operation CHARM
: Car repair manuals for everyone.
Home
>>
GMC
>>
2001
>>
C 1500 Yukon 2WD V8-5.3L VIN T
>>
Repair and Diagnosis
>>
Diagrams
>>
Electrical Diagrams
>>
Radio, Stereo, and Compact Disc
>>
System Diagram
>>
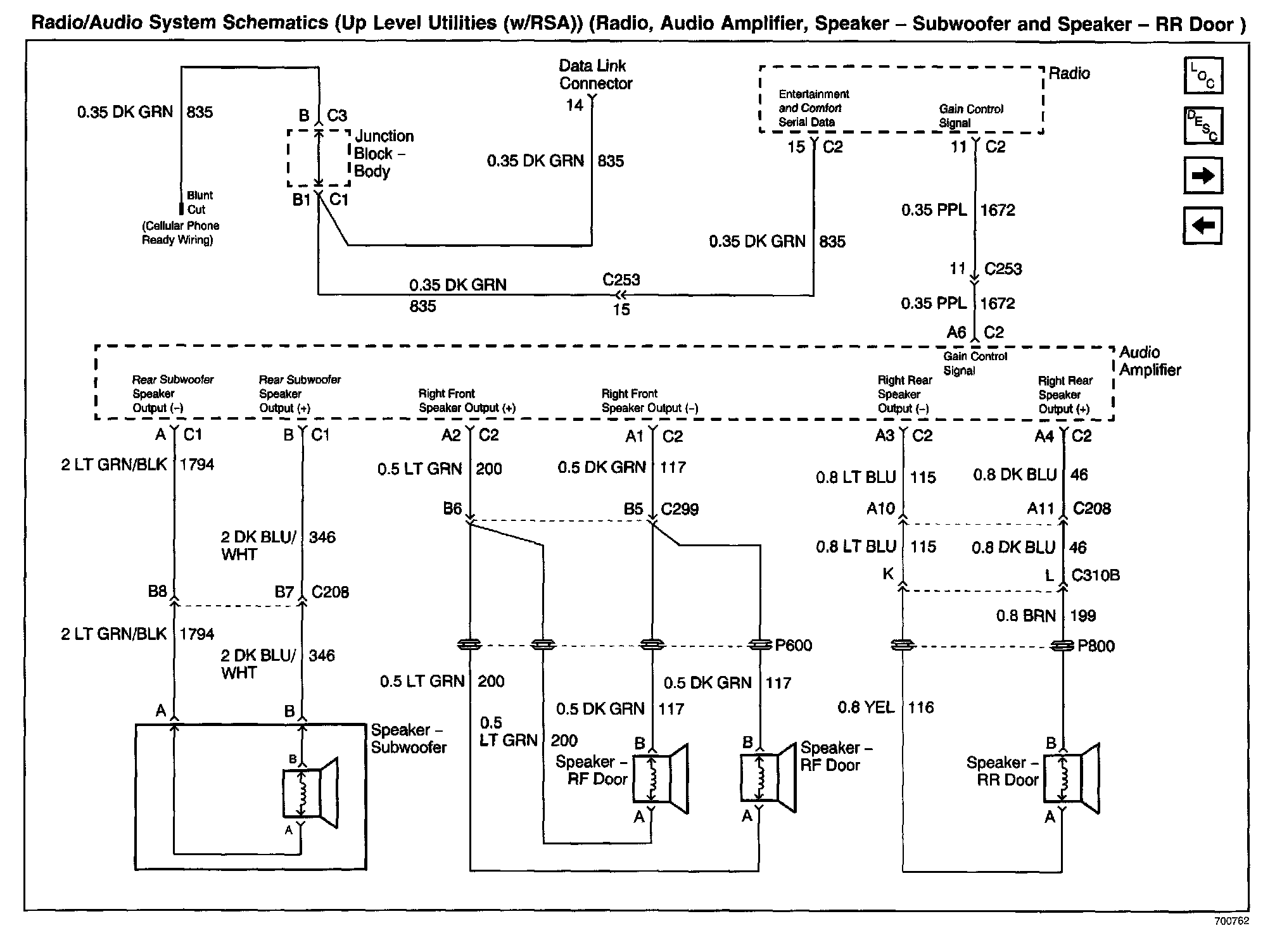
Radio, Audio Amplifier, Speaker - Subwoofer And Speaker - RR Door (UpLevel (W/ RSA))
Radio, Audio Amplifier, Speaker - Subwoofer And Speaker - RR Door (UpLevel (W/ RSA))
Radio/Audio System Schematics: Up Level Utilities (W/RSA) (Radio, Audio Amplifier, Speaker - Subwoofer And Speaker - RR Door):