Operation CHARM
: Car repair manuals for everyone.
Home
>>
GMC
>>
2001
>>
C 1500 Yukon 2WD V8-5.3L VIN T
>>
Repair and Diagnosis
>>
Diagrams
>>
Electrical Diagrams
>>
Powertrain Management
>>
Computers and Control Systems
>>
Body Control Module
>>
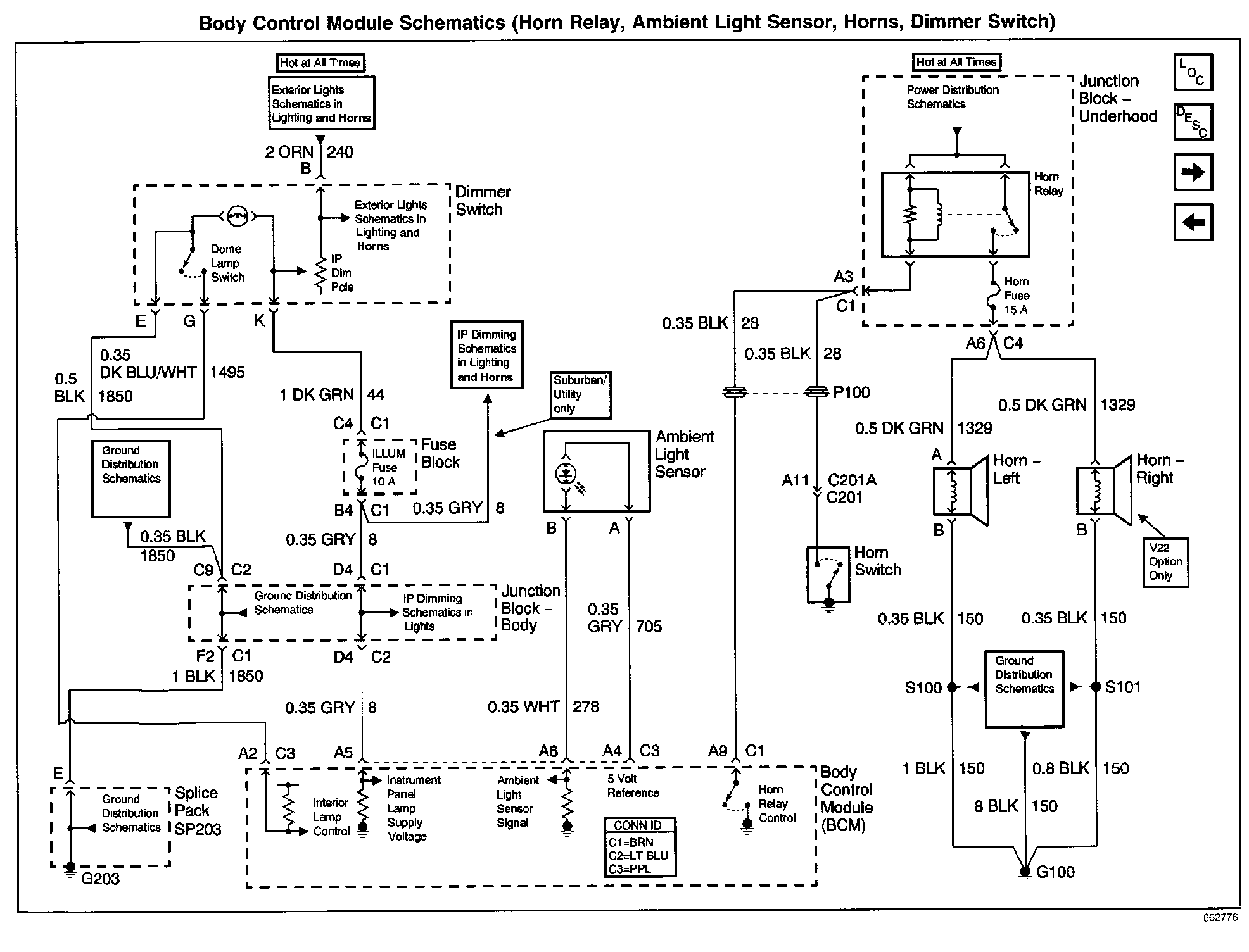
Horn Relay, Ambient Light Sensor, Horns, Dimmer Switch
Horn Relay, Ambient Light Sensor, Horns, Dimmer Switch
Body Control Module Schematics: Horn Relay, Ambient Light Sensor, Horns, Dimmer Switch: