Operation CHARM
: Car repair manuals for everyone.
Home
>>
GMC
>>
2001
>>
C 1500 Yukon 2WD V8-5.3L VIN T
>>
Repair and Diagnosis
>>
Diagrams
>>
Electrical Diagrams
>>
Powertrain Management
>>
System Diagram
>>
Engine Controls
>>
VSS, EBCM, BCM, PCM, IPC
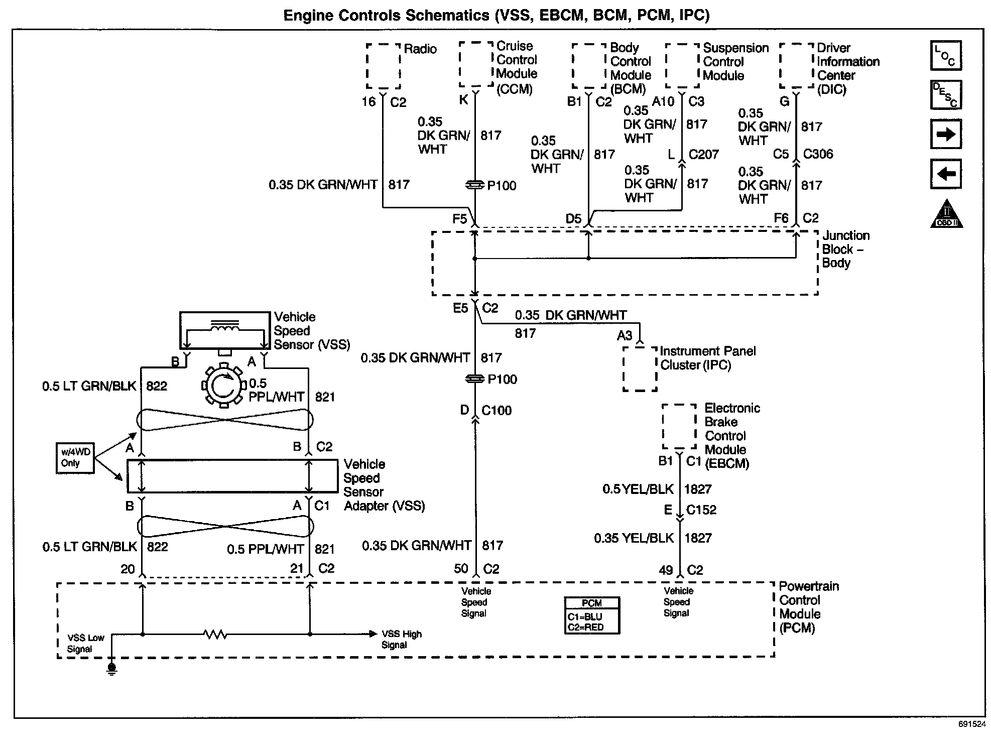
VSS, EBCM, BCM, PCM, IPC
Engine Controls Schematics: VSS, EBCM, BCM, PCM, IPC: