System Diagram
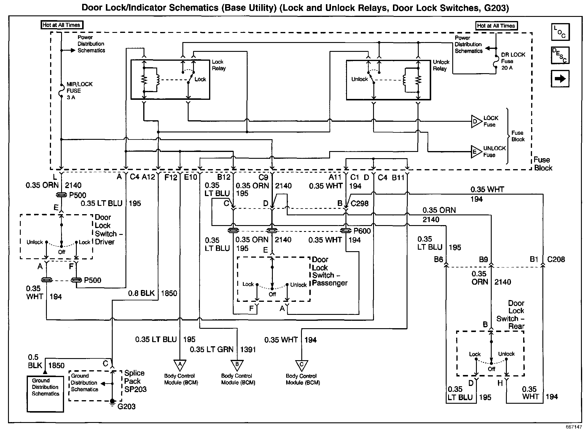
Door Lock/Indicator Schematics: Base Utility (Lock and Unlock Relays, Door Lock Switches, G203):
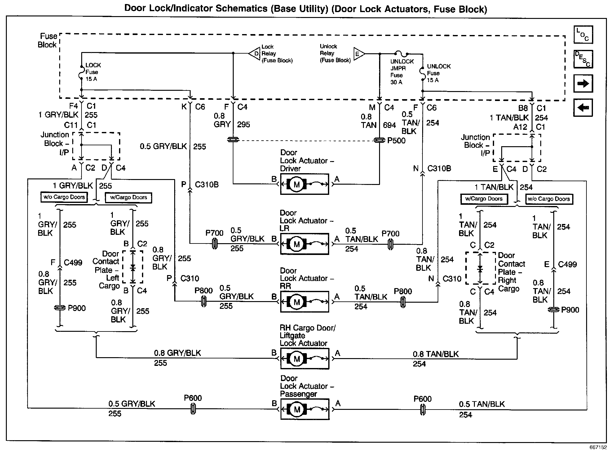
Door Lock/Indicator Schematics: Base Utility (Door Lock Actuators, Fuse Block):
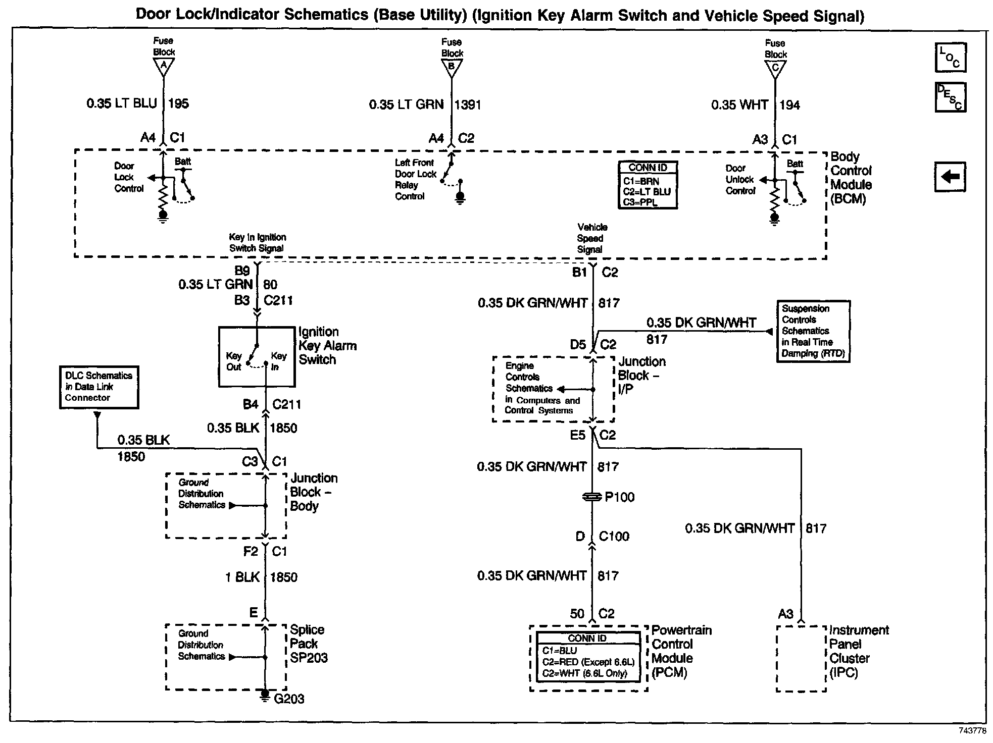
Door Lock/Indicator Schematics: Base Utility (Ignition Key Alarm Switch and Vehicle Speed Signal):
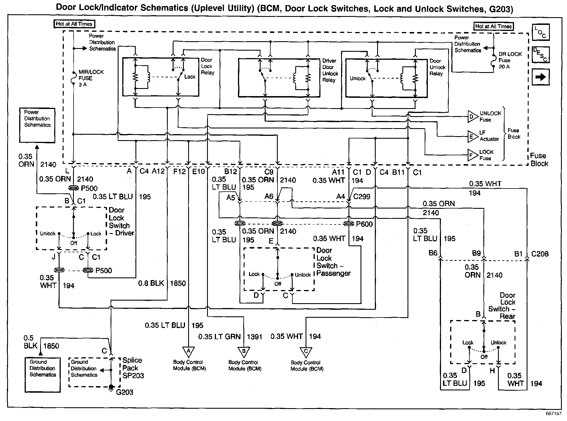
Door Lock/Indicator Schematics: Uplevel Utility (BCM, Door Lock Switches, Lock and Unlock Switches, G203):
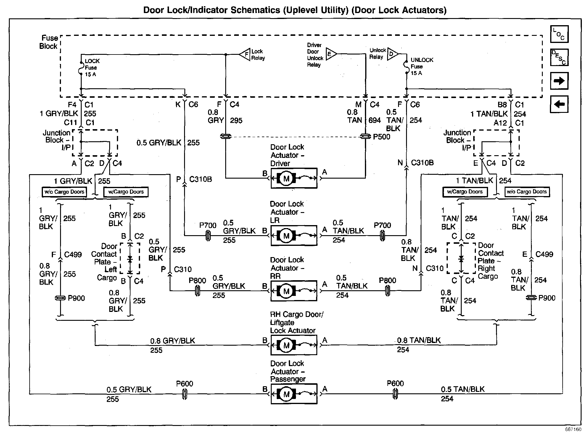
Door Lock/Indicator Schematics: Uplevel Utility (Door Lock Actuators):
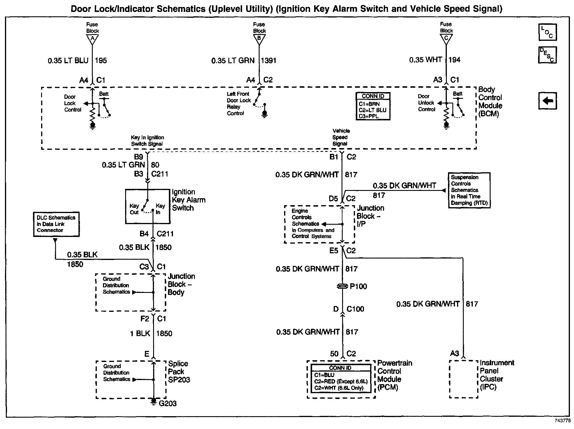
Door Lock/Indicator Schematics: Uplevel Utility (Ignition Key Alarm Switch and Vehicle Speed Signal):