Operation CHARM
: Car repair manuals for everyone.
Home
>>
GMC
>>
2001
>>
C 1500 Yukon 2WD V8-5.3L VIN T
>>
Repair and Diagnosis
>>
Diagrams
>>
Electrical Diagrams
>>
Lighting and Horns
>>
System Diagram
>>
Interior Lights
>>
Interior Lights Schematics
>>
Uplevel
>>
Courtesy Lamp Relay, Underhood Lamp And IP Compartment Lam
Courtesy Lamp Relay, Underhood Lamp And IP Compartment Lam
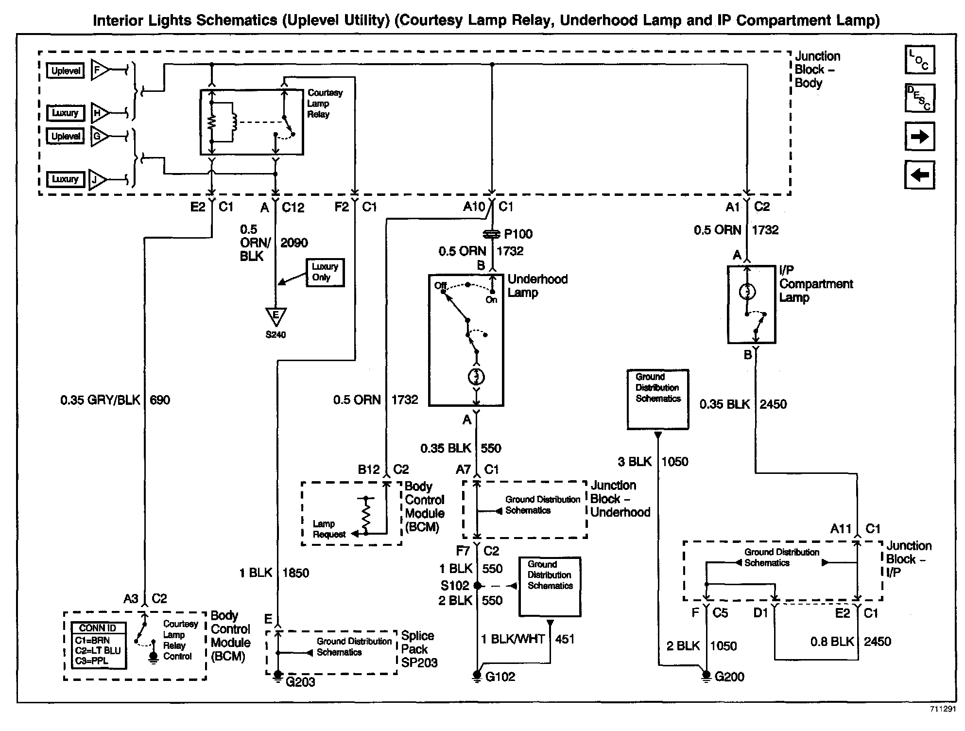
Interior Lights Schematics: Uplevel Utility (Courtesy Lamp Relay, Underhood Lamp And IP Compartment Lamp):