Operation CHARM
: Car repair manuals for everyone.
Home
>>
GMC
>>
2001
>>
C 1500 Yukon 2WD V8-5.3L VIN T
>>
Repair and Diagnosis
>>
Diagrams
>>
Electrical Diagrams
>>
Lighting and Horns
>>
System Diagram
>>
Interior Lights
>>
Interior Lights Schematics
>>
Uplevel
>>
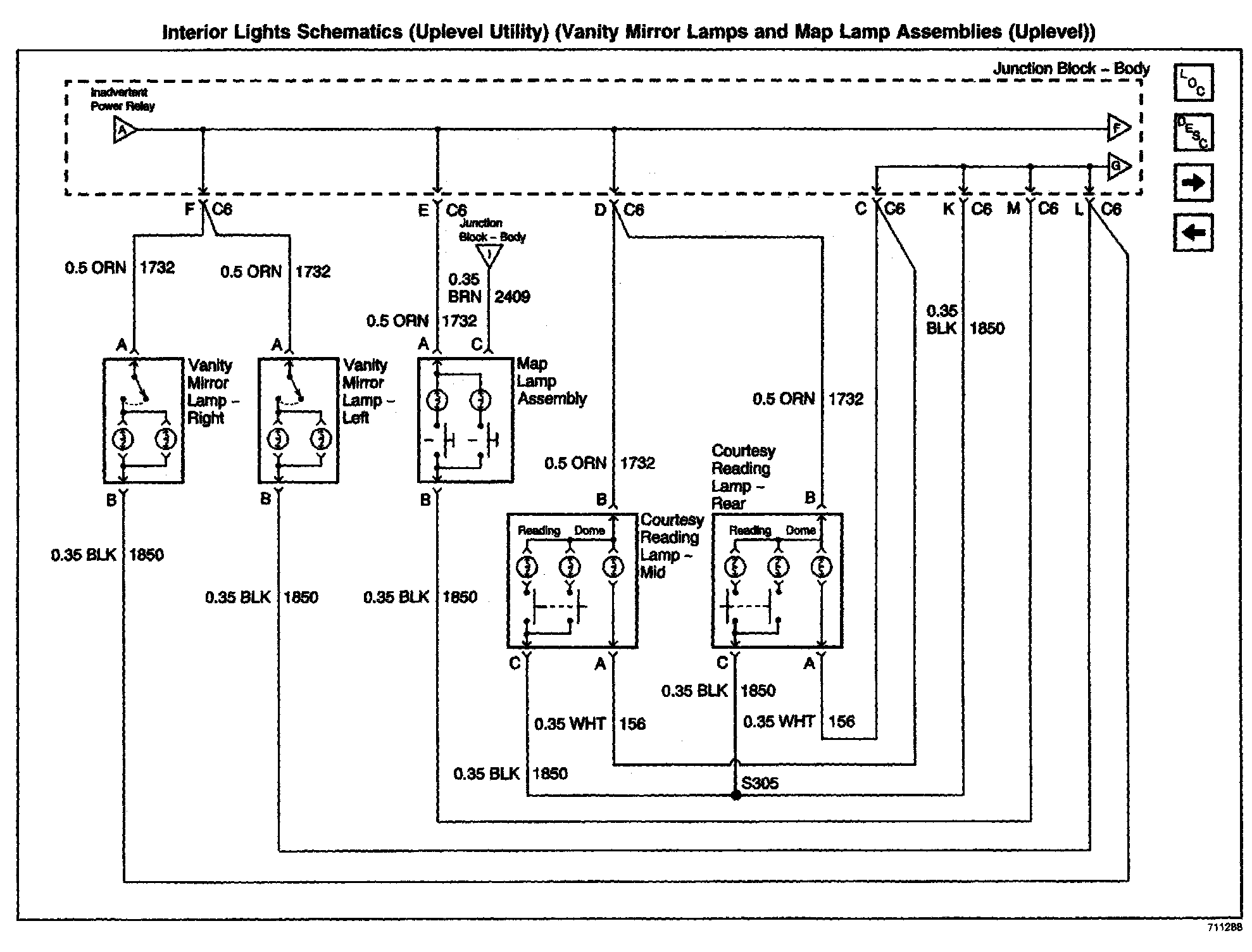
Vanity Mirror Lamps and MAP Lamp Assemblies (Uplevel)
Vanity Mirror Lamps and MAP Lamp Assemblies (Uplevel)
Interior Lights Schematics: Uplevel Utility (Vanity Mirror Lamps And Map Lamp Assemblies (Uplevel)):