Operation CHARM
: Car repair manuals for everyone.
Home
>>
GMC
>>
2001
>>
C 1500 Yukon 2WD V8-5.3L VIN T
>>
Repair and Diagnosis
>>
Diagrams
>>
Electrical Diagrams
>>
Lighting and Horns
>>
System Diagram
>>
Interior Lights
>>
Interior Lights Dimming Schematics
>>
Rear Wiper/Washer Sw., Roof Beacon Sw. an Selectable Ride Sw.
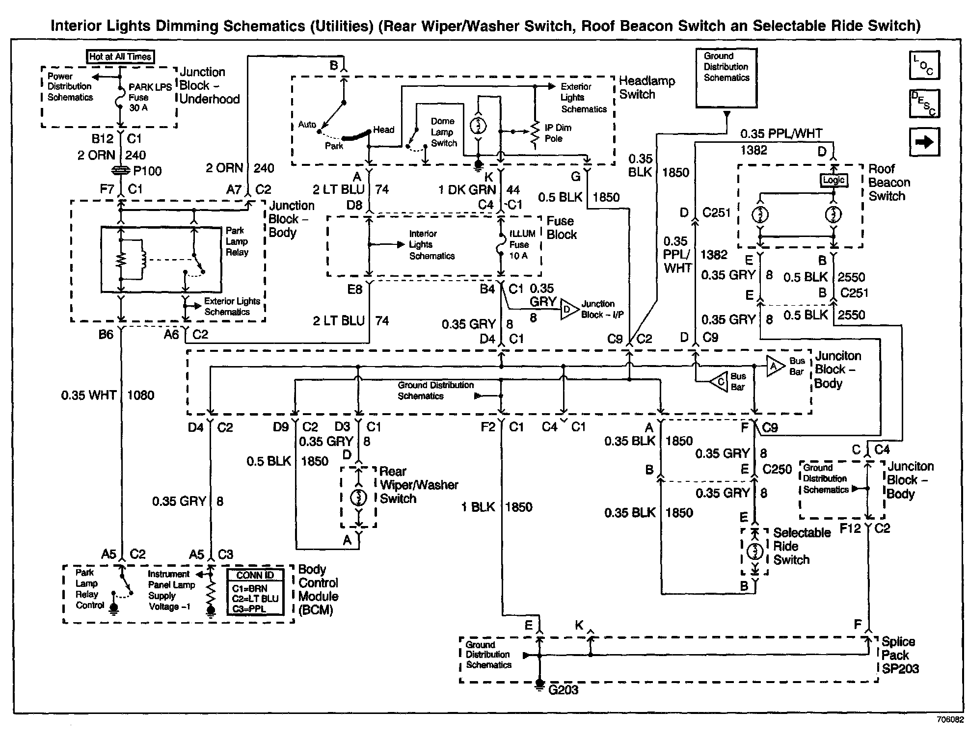
Rear Wiper/Washer Sw., Roof Beacon Sw. an Selectable Ride Sw.
Interior Lights Dimming Schematics: Utilities (Rear Wiper/Washer Switch, Roof Beacon Switch An Selectable Ride Switch):