Operation CHARM
: Car repair manuals for everyone.
Home
>>
GMC
>>
2001
>>
C 1500 Yukon 2WD V8-5.3L VIN T
>>
Repair and Diagnosis
>>
Diagrams
>>
Electrical Diagrams
>>
Lighting and Horns
>>
System Diagram
>>
Headlights
>>
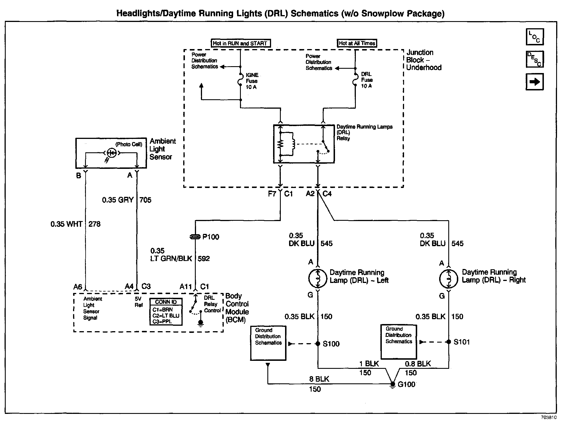
Headlights/Daytime Running Lights (DRL) Schematics
>>
W/O Snowplow Package
W/O Snowplow Package
Headlights/Daytime Running Lights (DRL) Schematics: W/O Snowplow Package: