Operation CHARM
: Car repair manuals for everyone.
Home
>>
GMC
>>
2001
>>
C 1500 Yukon 2WD V8-5.3L VIN T
>>
Repair and Diagnosis
>>
Diagrams
>>
Electrical Diagrams
>>
Heating and Air Conditioning
>>
System Diagram
>>
HVAC System - Automatic
>>
Air Delivery Controls - Primary
>>
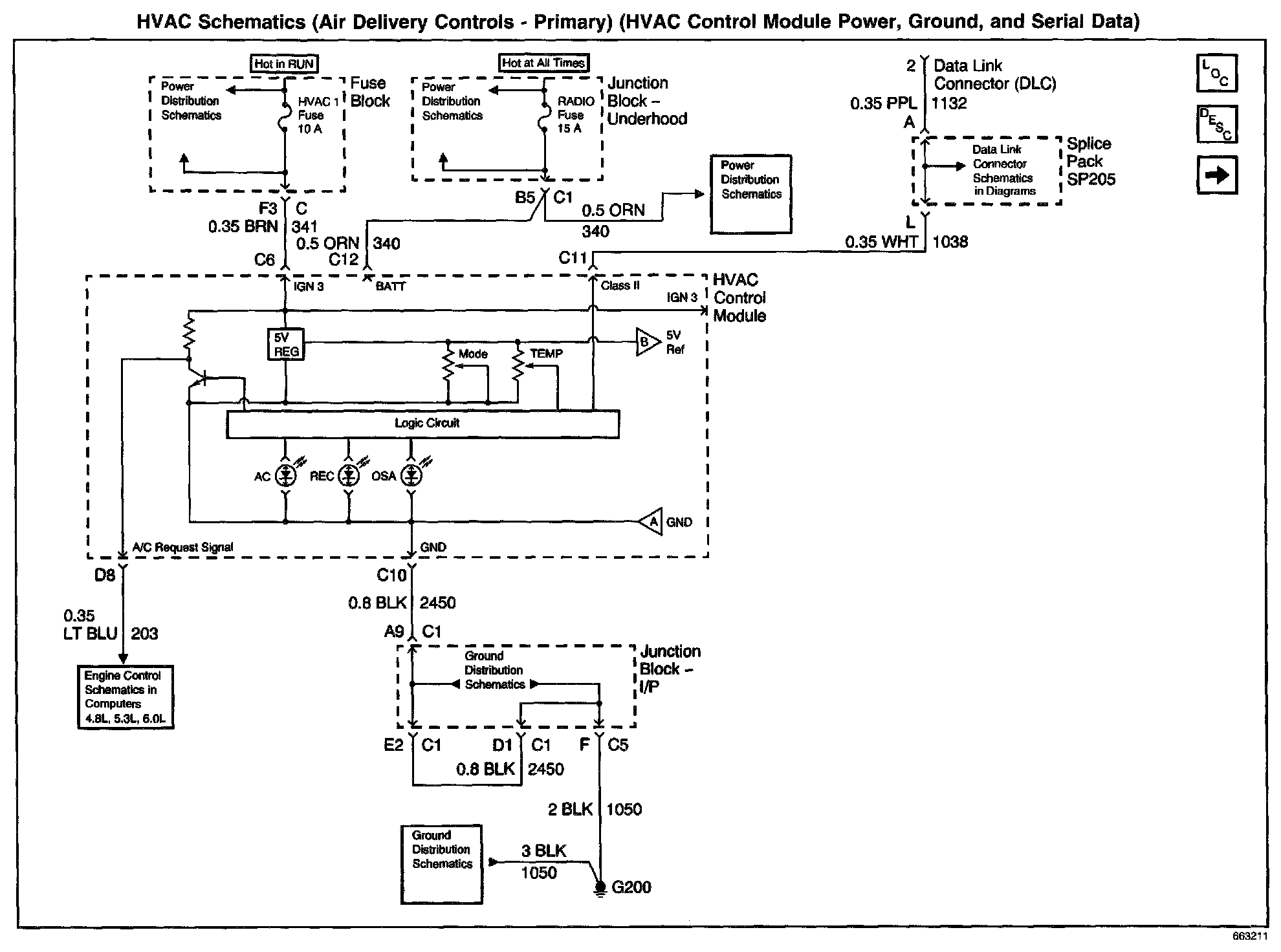
HVAC Control Module Power, Ground, And Serial Data
HVAC Control Module Power, Ground, And Serial Data
HVAC Schematics: Air Delivery Controls - Primary (HVAC Control Module Power, Ground, And Serial Data):