Operation CHARM
: Car repair manuals for everyone.
Home
>>
GMC
>>
2001
>>
C 1500 Yukon 2WD V8-5.3L VIN T
>>
Repair and Diagnosis
>>
Diagrams
>>
Electrical Diagrams
>>
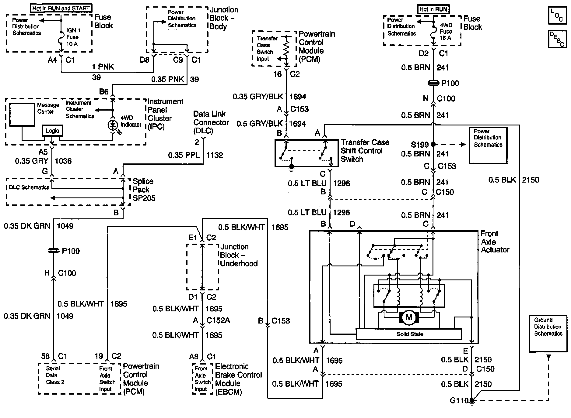
Actuator, Differential Lock
>>
Transfer Case - NVG 261-NP2 (Two Speed Manual)
Transfer Case - NVG 261-NP2 (Two Speed Manual)