Operation CHARM
: Car repair manuals for everyone.
Home
>>
GMC
>>
2001
>>
C 1500 Yukon 2WD V8-5.3L VIN T
>>
Repair and Diagnosis
>>
Diagrams
>>
Exploded Views
>>
Manual Transmission/Transaxle
>>
NV3500 Manual Transmission
>>
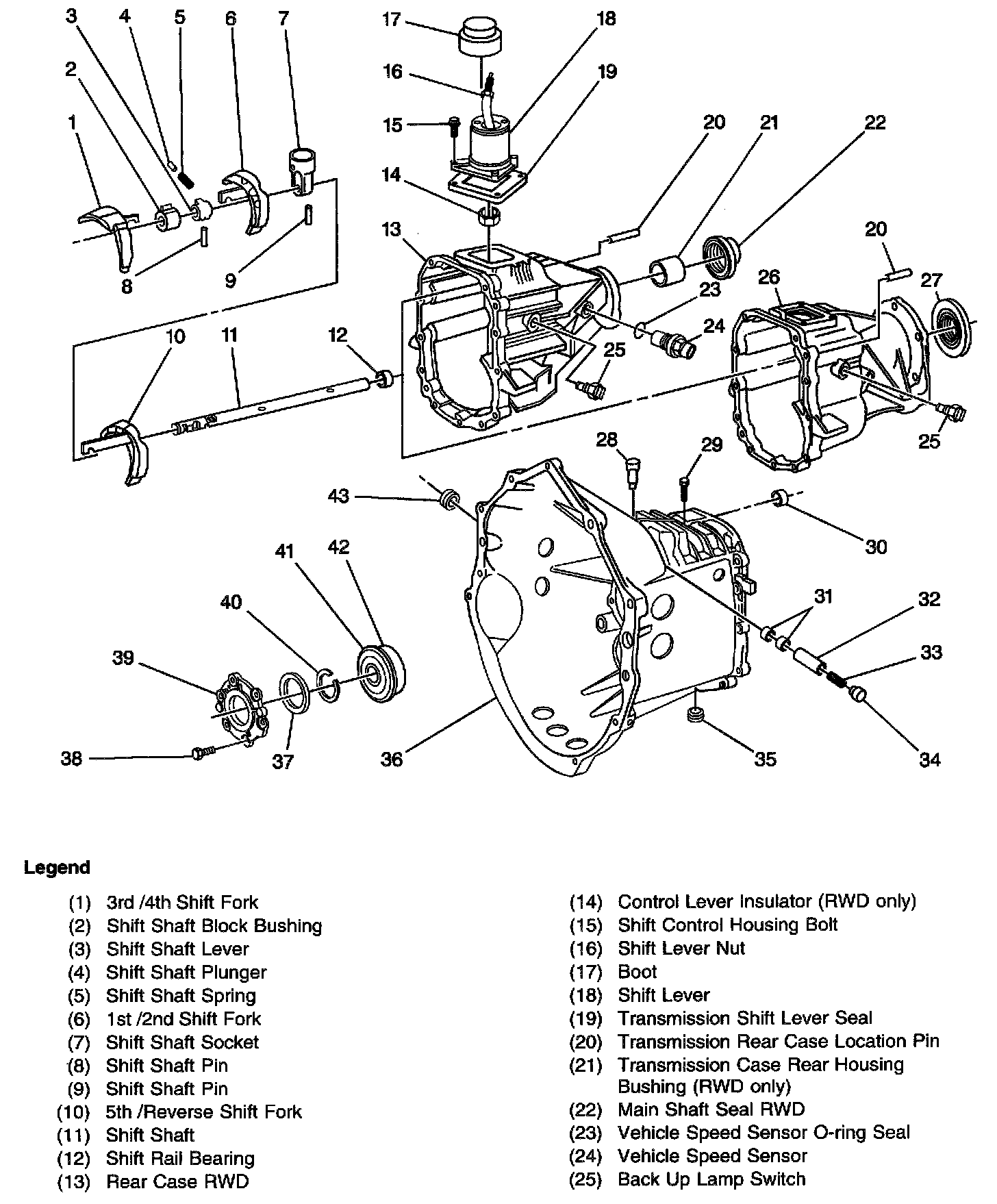
Transmission Cases and Shift Controls
Transmission Cases and Shift Controls
Transmission Cases and Shift Controls