4L60-E/4L65-E Automatic Transmission


Component Locator View

Electronic Component Locations


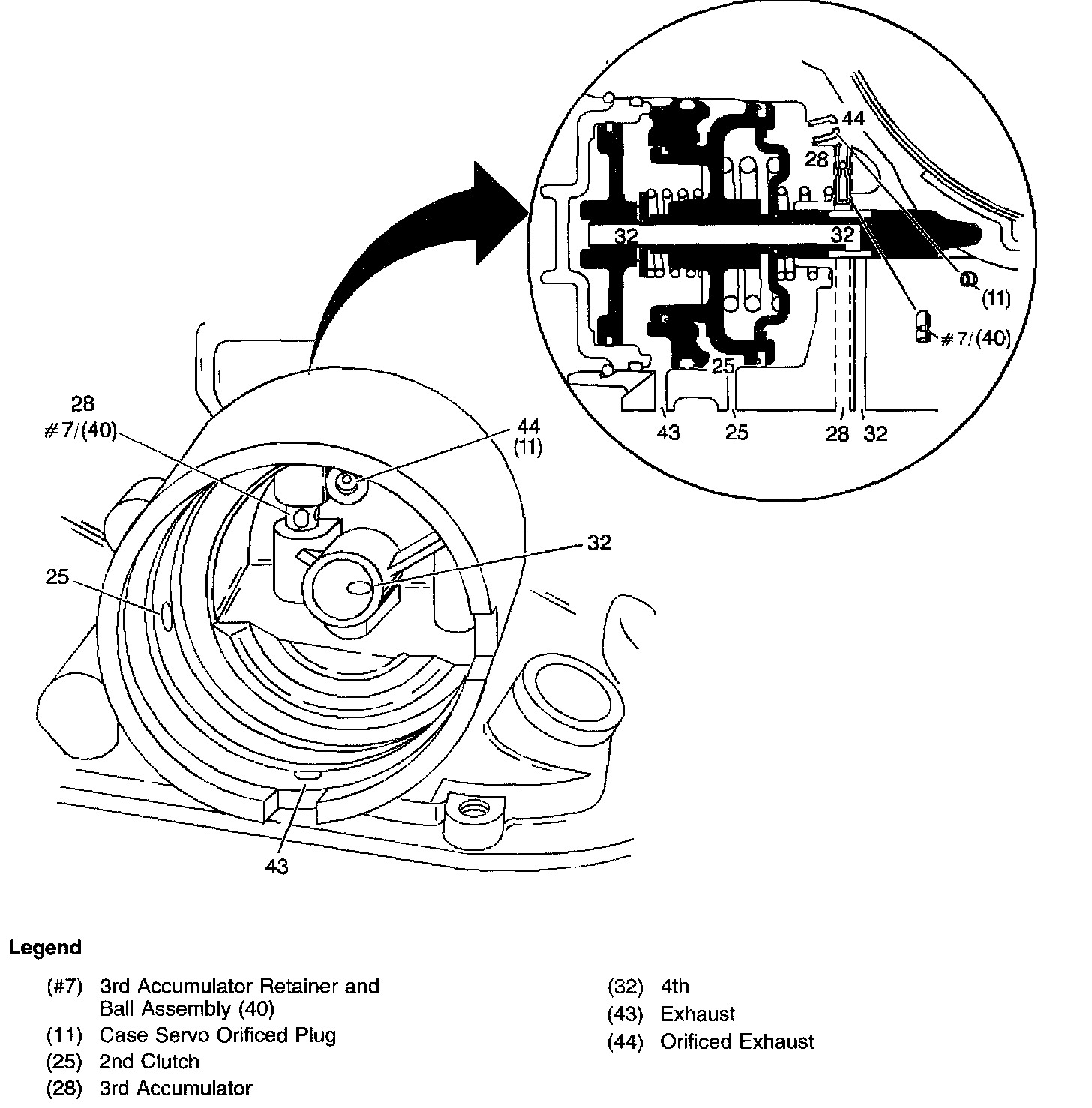
Case and Associated Parts (1 of 2)


Case and Associated Parts (2 of 2)


Oil Pump Assembly

Control Valve Body Assembly (1 of 2)

Control Valve Body Assembly (2 of 2)


Internal Parts (1 of 2)


Internal Parts (2 of 2)

Parking Lock and Manual Shift Shaft Assembly

Seal Locations

Bearings and Bushings

Torque Converter Housing Identification

Case Extension Identification


Valve Trains

Pump Body Fluid Passages (Pump Cover Side)

Pump Cover Fluid Passages (Pump Body Side)

Pump Cover Fluid Passages (Case Side)

Case Fluid Passages (Pump Cover Side)


Case Fluid Passages (Control Valve Body Side)


Spacer Plate to Case Gasket


Spacer Plate Fluid Passages


Spacer Plate to Control Valve Body Gasket


Control Valve Body Fluid Passages (Case Side)

2-4 Servo Fluid Passages

1-2 Accumulator Cover Fluid Passages