Operation CHARM
: Car repair manuals for everyone.
Home
>>
GMC
>>
2001
>>
C 1500 Yukon 2WD V8-5.3L VIN T
>>
Repair and Diagnosis
>>
Locations
>>
Component Locations
>>
Sensors
>>
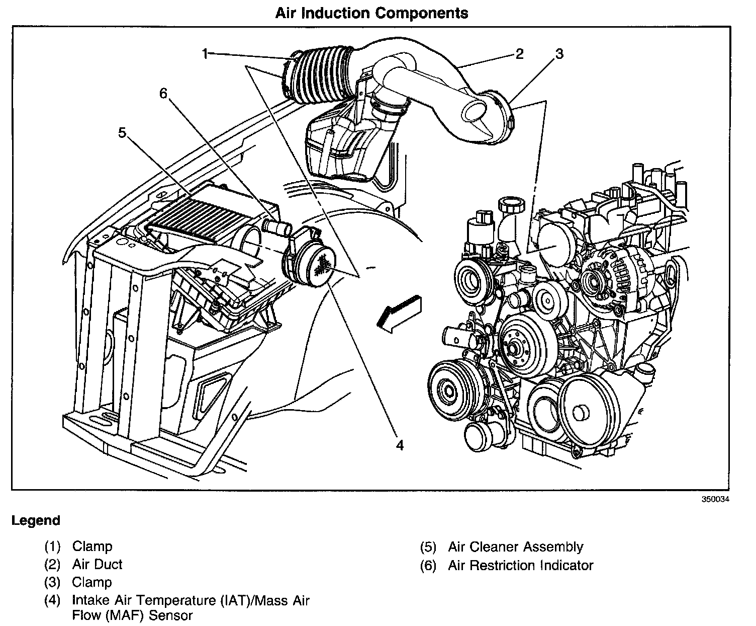
Intake Air Temperature (IAT)/Mass Air Flow (MAF) Sensor
Intake Air Temperature (IAT)/Mass Air Flow (MAF) Sensor
Locations View: