Operation CHARM
: Car repair manuals for everyone.
Home
>>
GMC
>>
2001
>>
C 1500 Yukon 2WD V8-5.3L VIN T
>>
Repair and Diagnosis
>>
Locations
>>
Component Locations
>>
Miscellaneous Components
>>
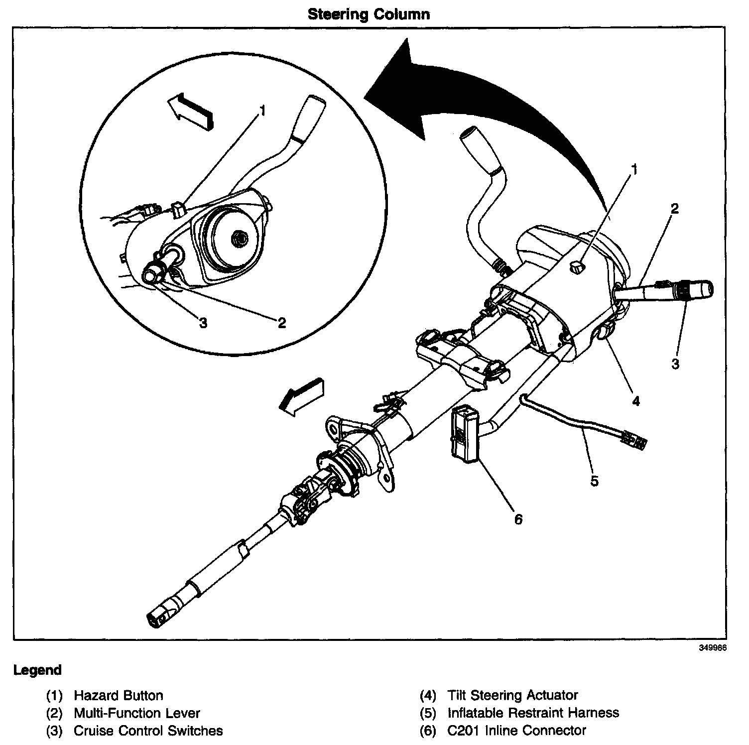
Tilt Steering Actuator
Tilt Steering Actuator
Locations View: