Operation CHARM
: Car repair manuals for everyone.
Home
>>
GMC
>>
2001
>>
C 1500 Yukon 2WD V8-5.3L VIN T
>>
Repair and Diagnosis
>>
Windows and Glass
>>
Heated Glass Element
>>
Diagrams
>>
Electrical Diagrams
>>
Defogger Schematics
Defogger Schematics
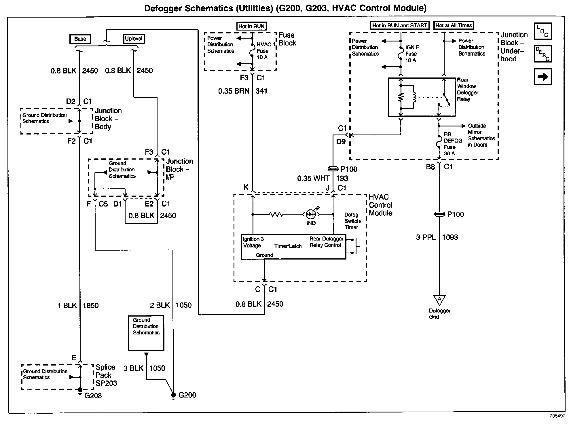
Defogger Schematics: Utilities (G200, G203, HVAC Control Module):
Defogger Schematics: Utilities (G410, Defogger Grid):