Operation CHARM
: Car repair manuals for everyone.
Home
>>
GMC
>>
2001
>>
C 1500 Yukon 2WD V8-5.3L VIN T
>>
Repair and Diagnosis
>>
Lighting and Horns
>>
Diagrams
>>
Electrical Diagrams
>>
Interior Lights
>>
Interior Lights Schematics
>>
Uplevel
>>
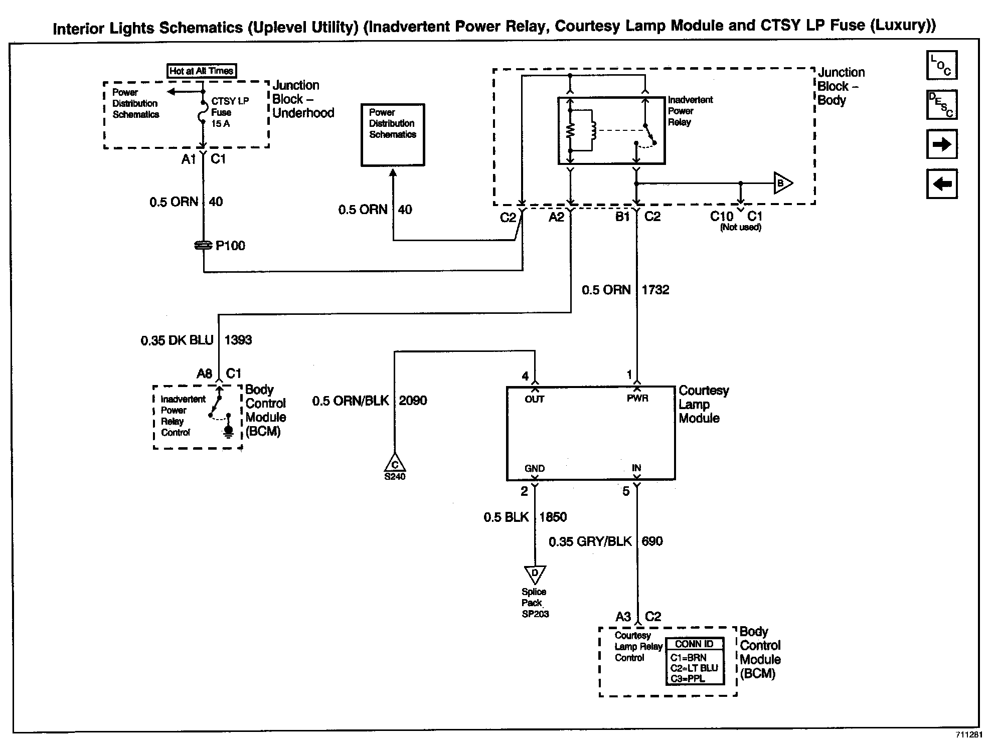
Inadvertent Relay, Courtesy Lamp Module/CTSY LP Fuse (Luxury)
Inadvertent Relay, Courtesy Lamp Module/CTSY LP Fuse (Luxury)
Interior Lights Schematics: Uplevel Utility (Inadvertent Power Relay, Courtesy Lamp Module And CTSY LP Fuse (Luxury)):