Operation CHARM
: Car repair manuals for everyone.
Home
>>
GMC
>>
2001
>>
C 1500 Yukon 2WD V8-5.3L VIN T
>>
Repair and Diagnosis
>>
Lighting and Horns
>>
Diagrams
>>
Electrical Diagrams
>>
Interior Lights
>>
Interior Lights Schematics
>>
Base
>>
I/P Compartment Lamp, Underhood Lamp and MAP Lamp
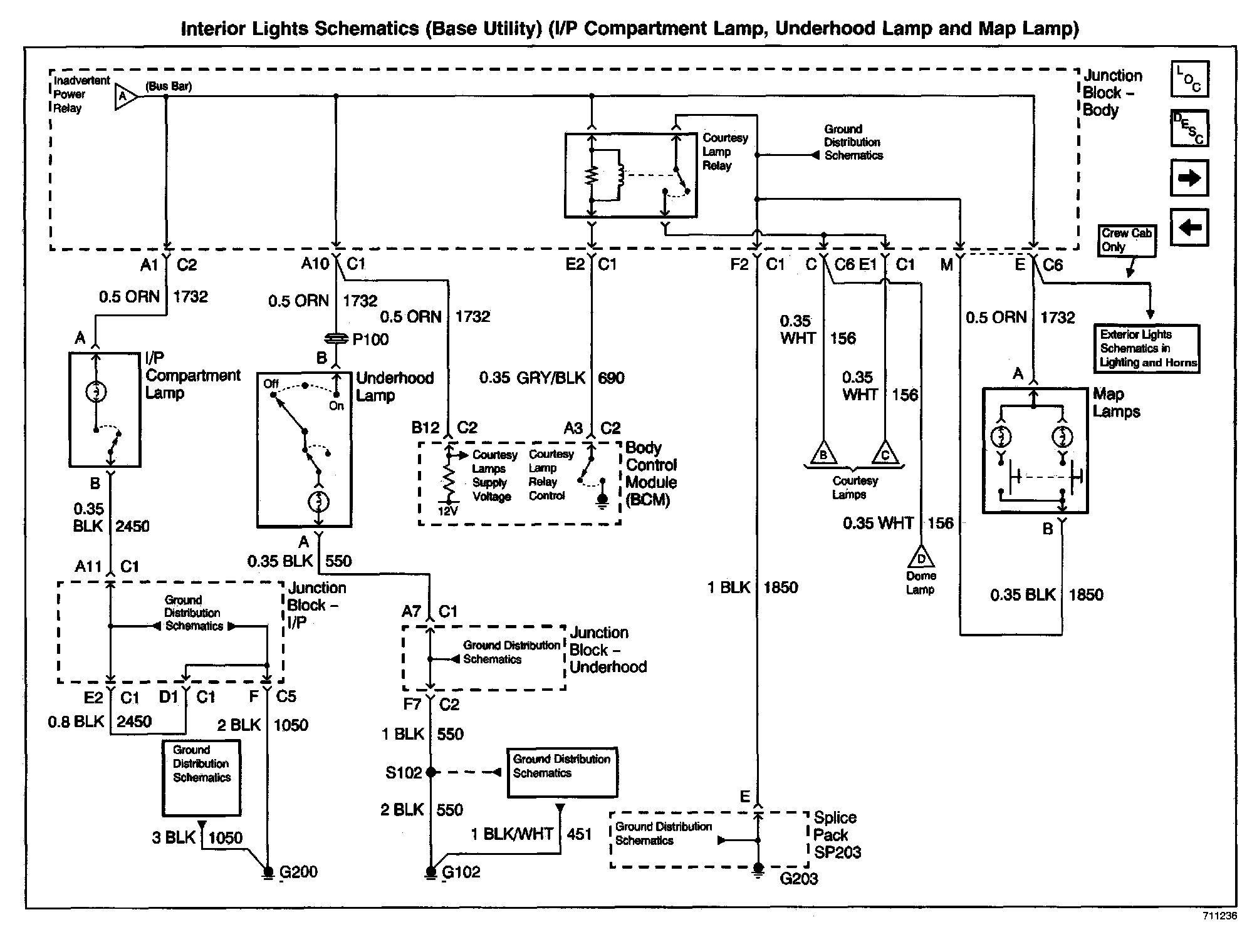
I/P Compartment Lamp, Underhood Lamp and MAP Lamp
Interior Lights Schematics: Base Utility (I/P Compartment Lamp, Underhood Lamp And Map Lamp):