Operation CHARM
: Car repair manuals for everyone.
Home
>>
GMC
>>
2001
>>
C 1500 Yukon 2WD V8-5.3L VIN T
>>
Repair and Diagnosis
>>
Lighting and Horns
>>
Diagrams
>>
Electrical Diagrams
>>
Interior Lights
>>
Interior Lights Dimming Schematics
>>
IP Cluster, Transfer Case Switch and Traction Control Switch
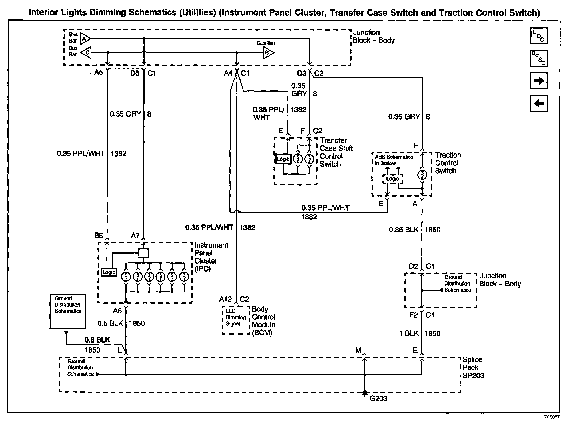
IP Cluster, Transfer Case Switch and Traction Control Switch
Interior Lights Dimming Schematics: Utilities (Instrument Panel Cluster, Transfer Case Switch And Traction Control Switch):