Operation CHARM
: Car repair manuals for everyone.
Home
>>
GMC
>>
2001
>>
C 1500 Yukon 2WD V8-5.3L VIN T
>>
Repair and Diagnosis
>>
Lighting and Horns
>>
Diagrams
>>
Electrical Diagrams
>>
Headlights
>>
Headlight Schematics
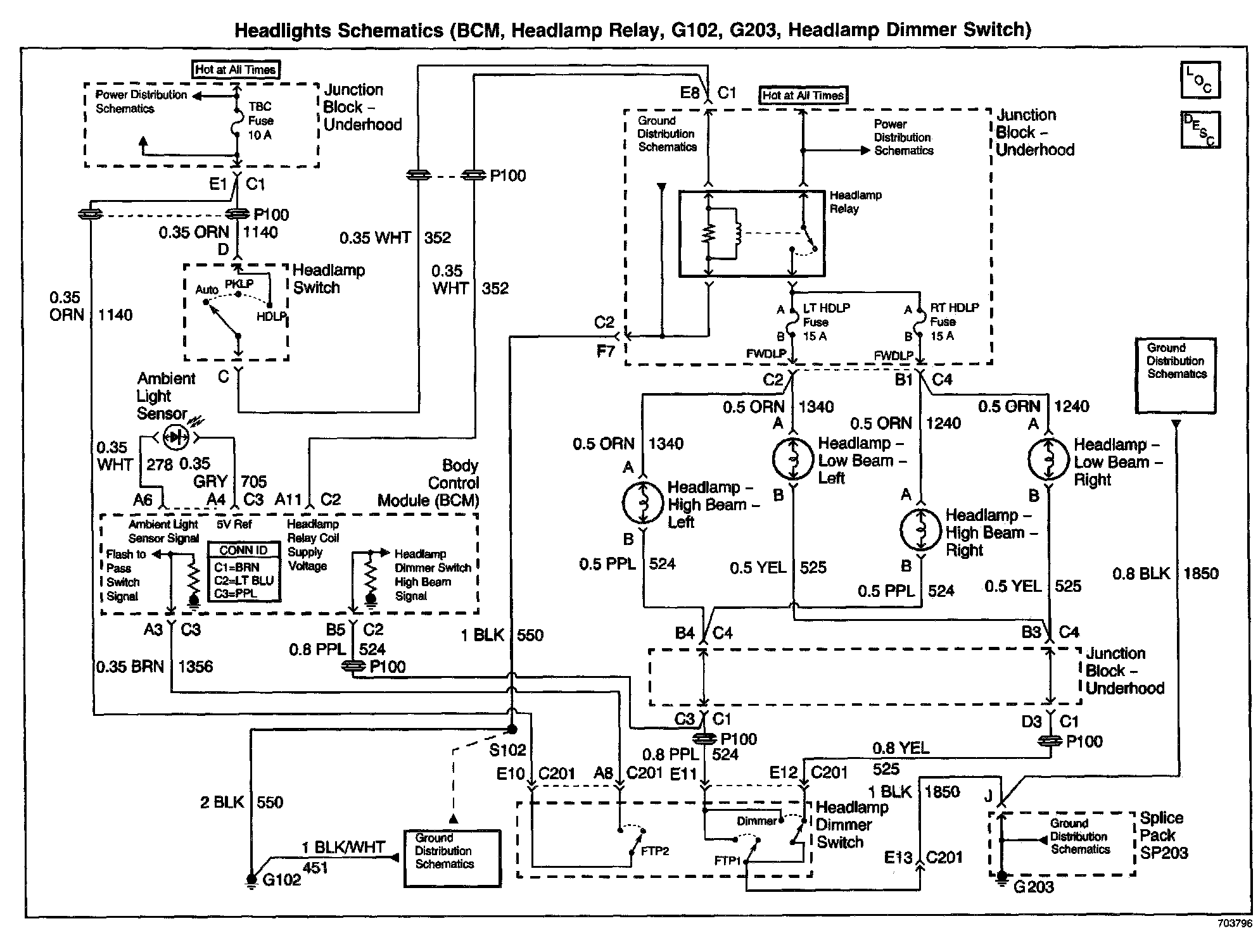
Headlight Schematics
Headlight Schematics: BCM Headlamp Relay, G102, G203, Headlamp Dimmer Switch: