Operation CHARM
: Car repair manuals for everyone.
Home
>>
GMC
>>
2001
>>
C 1500 Yukon 2WD V8-5.3L VIN T
>>
Repair and Diagnosis
>>
Lighting and Horns
>>
Diagrams
>>
Electrical Diagrams
>>
Exterior Lights
>>
Heavy Duty
>>
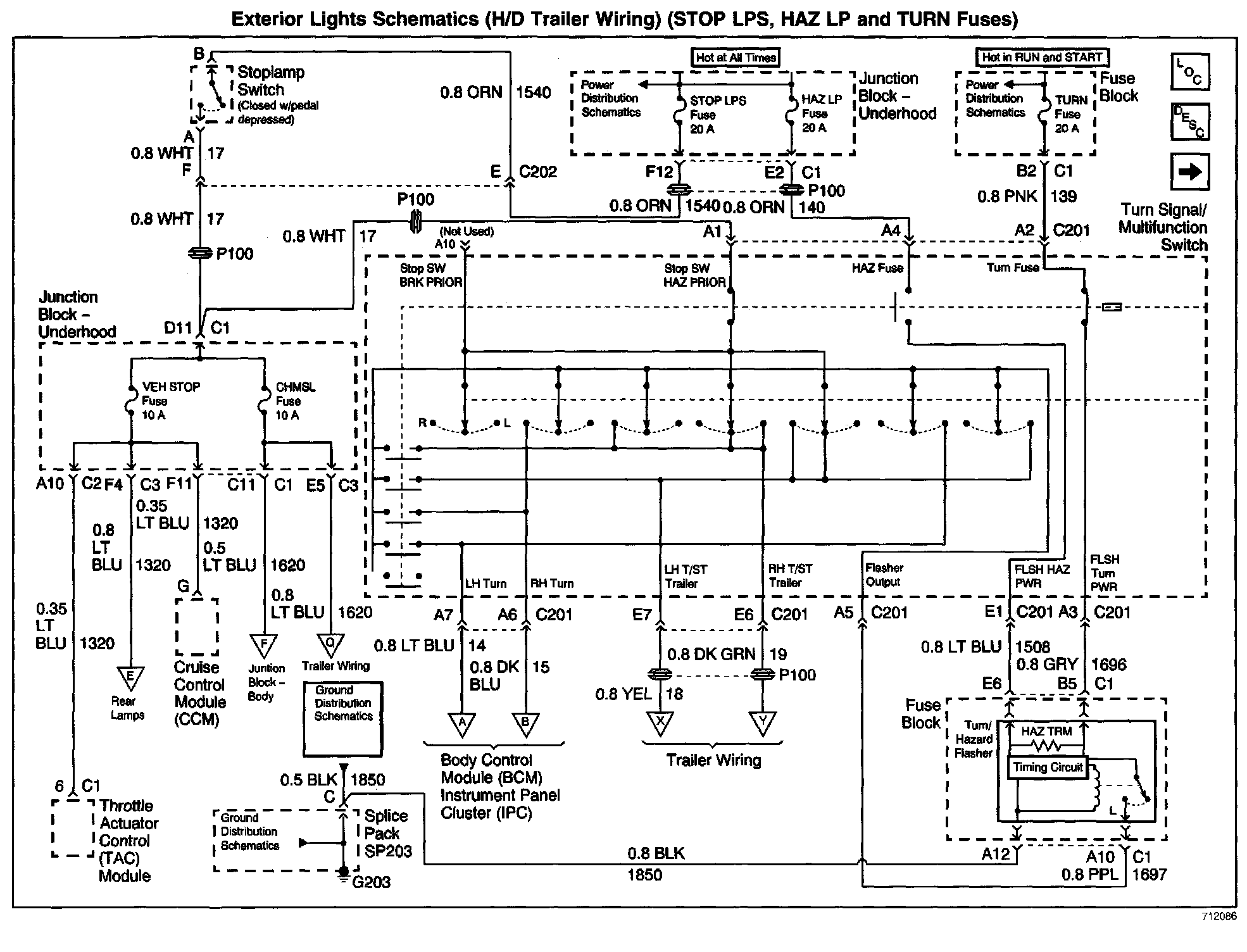
STOP LPS, HAZ LP And TURN Fuses
STOP LPS, HAZ LP And TURN Fuses
Exterior Lights Schematics: H/D Trailer Wiring (STOP LPS, HAZ LP And TURN Fuses):