95. Crankshaft Balancer Installation
Crankshaft Balancer Installation- Tools Required
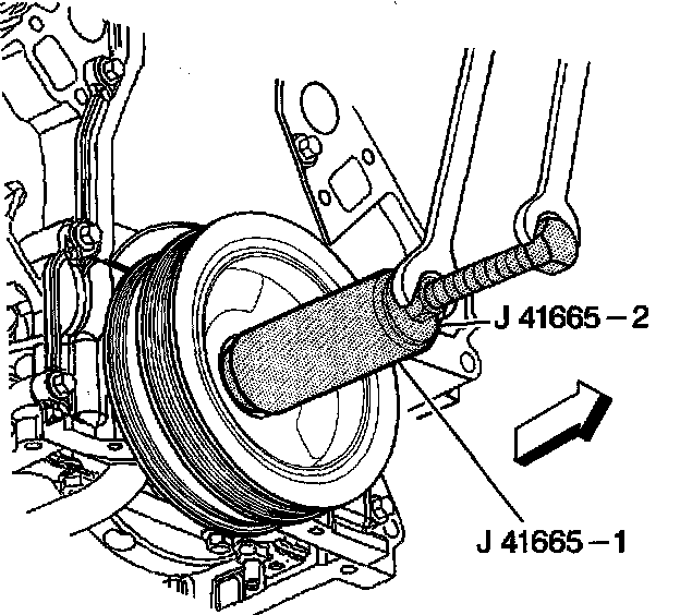
- J 41665 Crankshaft Balancer and Sprocket Installer
- J 36660-A Torque Angle Meter
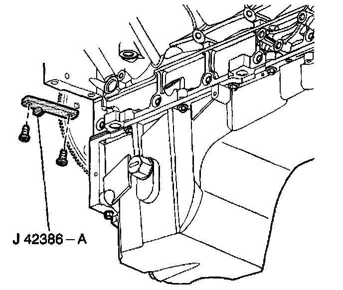
- J 42386-A Flywheel Holding Tool

Important:
- The crankshaft balancer is balanced as an individual component. It is not necessary to mark the balancer prior to removal.
- The crankshaft balancer installation and bolt tightening involves a four stage tightening process. The first pass ensures that the balancer is installed completely onto the crankshaft. The second, third and fourth passes tighten the new bolt to the proper torque.
- The used crankshaft balancer bolt will be used only during the first pass of the balancer installation procedure. Install a NEW crankshaft balancer bolt and tighten as described in the second, third and fourth passes of the balancer bolt tightening procedure.
- Make sure the teeth of the tool engage the engine flywheel teeth.
Notice: Refer to Fastener Notice in Service Precautions.
1. Install the J 42386-A and bolts.
Use one M10-1.5 x 120 mm and one M10-1.5 x 45 mm bolt for proper tool operation.
- Tighten the J 42386-A bolts to 50 Nm (37 ft. lbs.).

Important: The balancer should be positioned onto the end of the crankshaft as straight as possible prior to tool installation.
2. Install the balancer onto the end of the crankshaft.

3. Use the J 41665 in order to install the balancer.
3.1. Assemble the threaded rod, nut, washer and installer.
Insert the smaller end of the installer into the front of the balancer.
3.2. Use a wrench and hold the hex end of the threaded rod.
3.3. Use a second wrench and rotate the installation tool nut clockwise until the balancer is started onto crankshaft.
3.4. Remove the tool and reverse the installation tool.
Position the larger end of the installer against the front of the balancer.
3.5. Use a wrench and hold the hex end of the threaded rod.
3.6. Use a second wrench and rotate the installation tool nut clockwise until the balancer is installed onto the crankshaft.
3.7. Remove the balancer installation tool.

4. Install the used crankshaft balancer bolt.
- Tighten the crankshaft balancer bolt to 330 Nm (240 ft. lbs.).
5. Remove the used crankshaft balancer bolt.
Important: The nose of the crankshaft should be recessed 2.4 - 4.48 mm (0.094 - 0.176 inch) into the balancer bore.
6. Measure for a correctly installed balancer.
If the balancer is not installed to the proper dimensions, install the J 41665 and repeat the installation procedure.

7. Install the NEW crankshaft balancer bolt.
7.1. Tighten the crankshaft balancer bolt a first pass to 50 Nm (37 ft. lbs.).
7.2. Tighten the crankshaft balancer bolt a second pass to 140° using the J 36660-A.
8. Remove the J 42386-A.