86. Intake Manifold Installation
Intake Manifold InstallationImportant:
- The intake manifold, throttle body, fuel injection rail and fuel injectors may be removed as an assembly. If not servicing the individual components, install the intake manifold as a complete assembly.
- DO NOT reuse intake manifold gaskets. Install NEW intake manifold-to-cylinder head gaskets.

1. Install NEW intake manifold-to-cylinder head gaskets (1).

2. Install the intake manifold.
3. Apply a 5 mm (0.20 inch) band of threadlock GM P/N 12345382 or equivalent to the threads of the intake manifold bolts.

Notice: Refer, to Fastener Notice in Cautions and Notices.
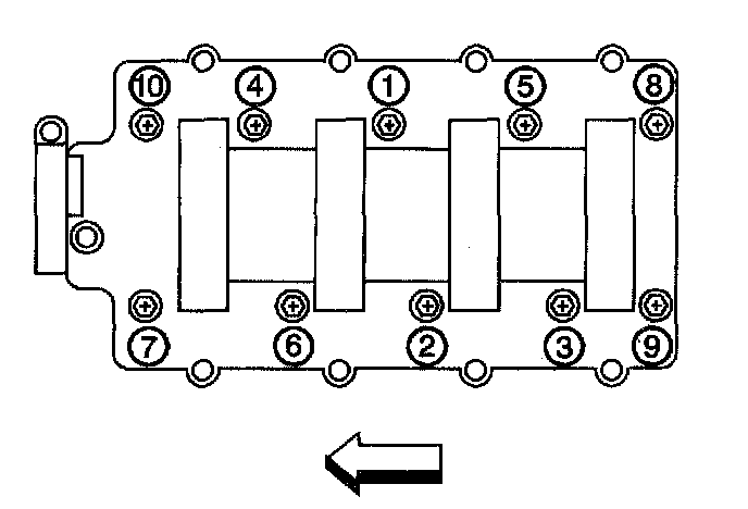
4. Install the intake manifold bolts.
4.1. Tighten intake manifold bolts first pass in sequence to 5 Nm (44 inch lbs.).
4.2. Tighten intake manifold bolts final pass in sequence to 10 Nm (89 inch lbs.).

5. Install the Manifold Absolute Pressure (MAP) sensor (1) (if previously removed).
The electrical connector end of the sensor should be facing the front of the engine.

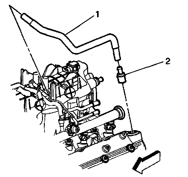
6. Install the Positive Crankcase Ventilation (PCV) valve (2) and hose (1).
7. Install the engine coolant air bleed hose and clamp onto the throttle body.

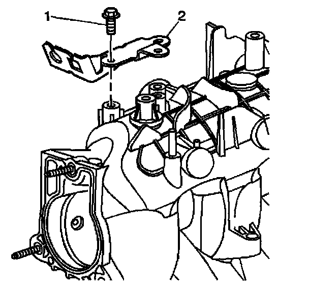
8. Install the accelerator control cable bracket (2) and bolts (1) (if applicable).
- Tighten the accelerator control cable bracket bolts to 10 Nm (89 inch lbs.).

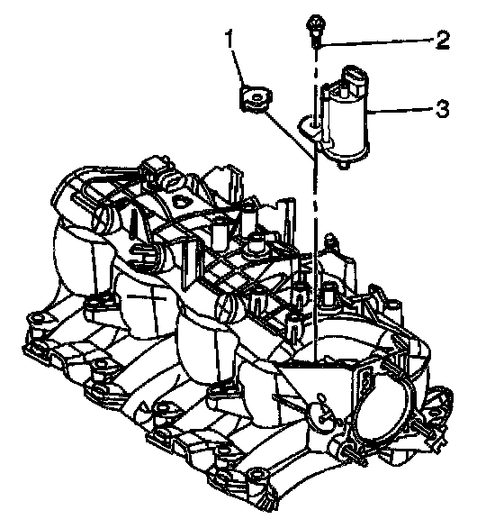
9. Install the Evaporative Emission (EVAP) purge solenoid (3), bolt (2), and isolator (1).
- Tighten the solenoid bolt to 10 Nm (89 inch lbs.).