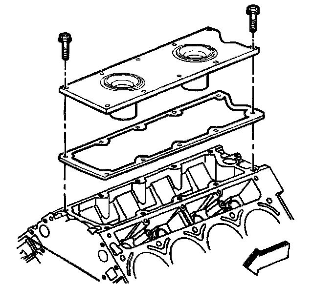
83. Engine Block Valley Cover Installation
Engine Valley Cover InstallationImportant: All gasket surfaces should be free of oil or other foreign material during assembly.

1. Install NEW knock sensor oil seals (1) into the valley cover (2).
Lubricate the seal surfaces with clean engine oil.

2. Install the valley cover and NEW gasket.
Notice: Refer to Fastener Notice in Service Precautions.
3. Install the valley cover bolts.
- Tighten the valley cover bolts to 25 Nm (18 ft. lbs.).

4. Install the knock sensors.
- Tighten the knock sensors to 20 Nm (15 ft. lbs.).

5. Install the knock sensor wire harness.