76. Oil Filter, Adapter, Pan Cover Installation
Oil Filter, Adapter, Pan Cover InstallationNotice: Refer to Fastener Notice in Service Precautions.

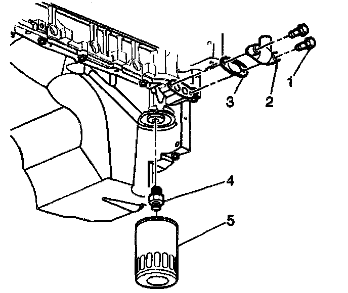
1. Install the oil pan cover (2), bolts (1), and a NEW oil pan cover gasket (3).
- Tighten the oil pan cover bolts to 12 Nm (106 inch lbs.).

2. Install a new oil filter bypass valve (2) into the oil pan (if required).
3. Install the oil filter fitting (1).
- Tighten the oil filter fitting to 55 Nm (40 ft. lbs.).

4. Lubricate the oil filter seal with clean engine oil.
5. Install the oil filter.
- Tighten the oil filter to 30 Nm (22 ft. lbs.).

6. Install the oil pan drain plug.
- Tighten the oil pan drain plug to 25 Nm (18 ft. lbs.).