70. Engine Rear Cover Installation - Without Seal In Housing
Engine Rear Cover Installation- Tools Required
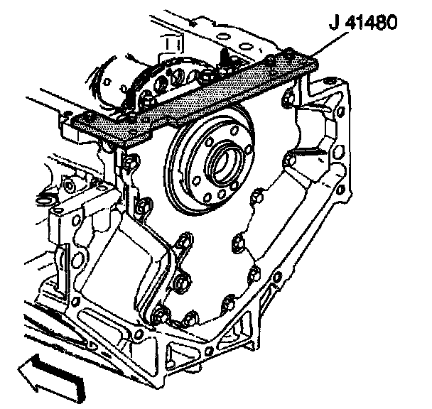
- J 41480 Front/Rear Cover Alignment (Oil Pan Surface)
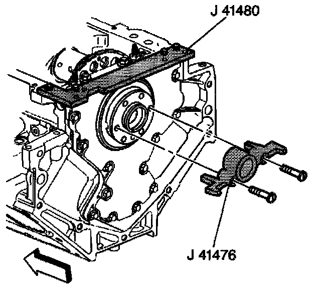
- J 41476 Front/Rear Cover Alignment (Crankshaft Oil Seal Area)

Important:
- Do not reuse the crankshaft rear oil seal or the engine rear cover gasket.
- Do not apply any type sealant to the rear cover gasket (unless specified).
- The special tools in this procedure are used to properly align the engine rear cover at the oil pan surface and to center the crankshaft rear oil seal.
- The crankshaft rear oil seal will be installed after the rear cover has been installed and aligned. Install the rear cover without the crankshaft oil seal.
- The crankshaft rear oil seal MUST be centered in relation to the crankshaft.
- The oil pan sealing surface at the rear cover and engine block MUST be aligned within specifications.
- An improperly aligned rear cover may cause premature rear oil seal wear and/or engine assembly oil leaks.
1. Inspect the rear oil gallery plug for proper installation.
2. Install the rear cover gasket, rear cover and bolts.

3. Tighten the bolts finger tight. Do not overtighten.

Notice: Refer to Fastener Notice in Service Precautions.

Important: Start the J 41480 tool-to-rear cover bolts. Do not tighten the bolts at this time.
4. Install the J 41480 and bolts.
- Tighten the tool-to-engine block bolts to 25 Nm (18 ft. lbs.).

Important: To properly align the rear cover, the J 41476 must be installed onto the rear of the crankshaft with the tool mounting bolts parallel to the oil pan surface.
5. Rotate the crankshaft until two opposing flywheel bolt holes are parallel to the oil pan surface.
Important: The tapered legs of the alignment tool must enter the rear cover oil seal bore.
6. Install the J 41476 and bolts onto the rear of the crankshaft.
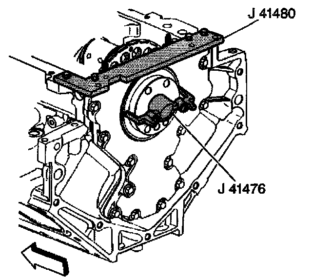
6.1. Tighten the tool mounting bolts until snug. Do not overtighten.
6.2. Tighten the J 41480 tool-to-rear cover bolts evenly to 12 Nm (106 inch lbs.).
6.3. Tighten the rear cover bolts to 25 Nm (18 ft. lbs.).
7. Remove the tools.

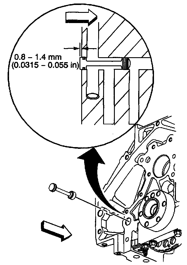
8. Measure the oil pan surface for flatness (rear cover-to-engine block).
8.1. Place a straight edge onto the engine block and rear cover oil pan sealing surfaces.
Avoid contact with the portion of the gasket that protrudes into the oil pan surface.
8.2. Insert a feeler gauge between the rear cover and the straight edge. The cover must be flush with the oil pan or no more than 0.5 mm (0.02 inch) below flush.
9. If the rear cover-to-engine block oil pan surface alignment is not within specifications, repeat the cover alignment procedure.
10. If the correct rear cover-to-engine block alignment at the oil pan surface cannot be obtained, replace the rear cover.