56. Oil Pan Clean and Inspect
Oil Pan Cleaning and InspectionImportant: Do not reuse the oil pan cover gasket. Install a NEW cover gasket during assembly.
Do not reuse the oil pan to engine block gasket. Install a NEW gasket during assembly.
When installing a NEW oil pan gasket, it is not necessary to install the rivets that retain the NEW gasket to the pan.

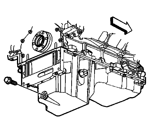
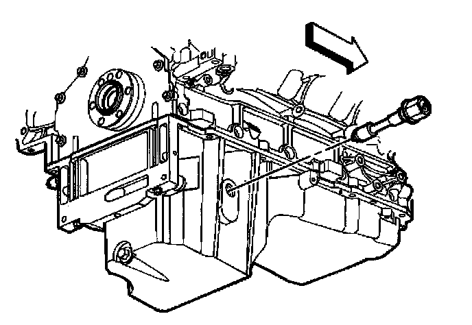
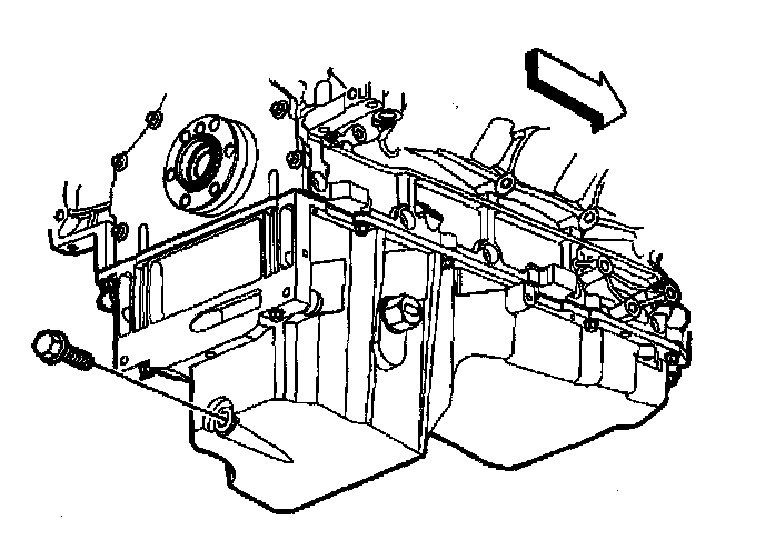
1. Remove the oil level sensor from the pan.

2. Remove the oil pan cover (2), gasket (3), and bolts (1), if required.

3. Remove the oil pan drain plug and O-ring seal.

4. Remove the oil pan baffle and bolts.
5. Clean the oil pan in solvent. Be sure to thoroughly clean all of the oil passages and recesses of the pan.
6. Clean the oil pan gasket surfaces.
Caution: Wear safety glasses in order to avoid eye damage.
7. Dry the oil pan with compressed air.
8. Inspect the gasket sealing surfaces for excessive scratches or gouging.

9. Inspect the oil level sensor seal surface and threads for damage.

10. Inspect the oil pan drain plug and threaded drain hole for damaged threads.
The drain plug O-ring seal may be reused if not cut or damaged.

11. Inspect the oil filter sealing surface for scratches or gouging.
12. Inspect the oil filter fitting (1) for a loose fit or damaged threads.
13. Inspect the oil passages for restrictions.
14. Inspect the oil filter bypass valve (2) for proper operation.
Lightly depress the bypass valve. The valve spring should reseat the valve to the proper position.