Operation CHARM
: Car repair manuals for everyone.
Home
>>
GMC
>>
2001
>>
C 1500 Yukon 2WD V8-5.3L VIN T
>>
Repair and Diagnosis
>>
Relays and Modules
>>
Relays and Modules - Accessories and Optional Equipment
>>
Accessory Delay Module
>>
Diagrams
>>
Electrical Diagrams
>>
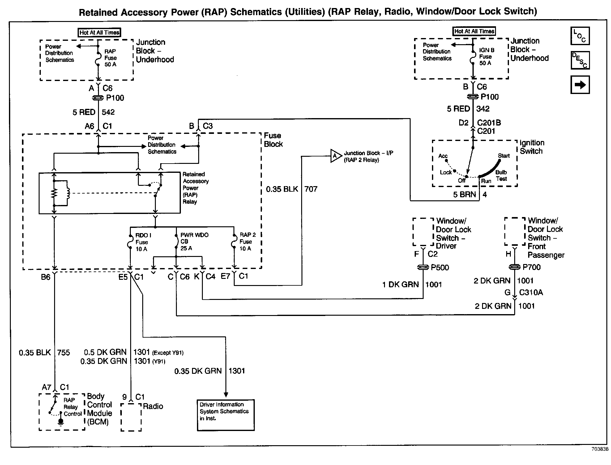
Radio, RAP Relay, Window/Door Lock Switch
Radio, RAP Relay, Window/Door Lock Switch
Retained Accessory Power (RAP) Schematics: Utilities (RAP Relay, Radio, Window/Door Lock Switch):