Operation CHARM
: Car repair manuals for everyone.
Home
>>
GMC
>>
2001
>>
C 1500 Yukon 2WD V8-5.3L VIN T
>>
Repair and Diagnosis
>>
Lighting and Horns
>>
Daytime Running Lamp
>>
Diagrams
>>
Electrical Diagrams
>>
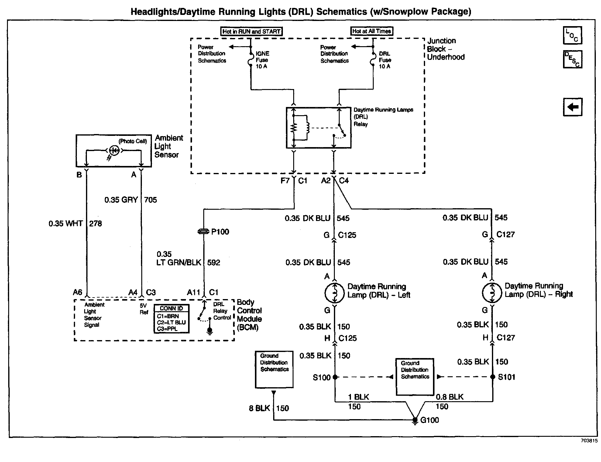
Headlights/Daylights Running Lights (DRL)
>>
With Snowplow Package
With Snowplow Package
Headlights/Daytime Running Lights (DRL) Schematics: W/Snowplow Package: