33. Crankshaft and Bearings Clean and Inspect
The contents of this article have been updated by TSB # 07-06-01-002 dated 3/5/2007.Crankshaft and Bearings Cleaning and Inspection
- Tools Required
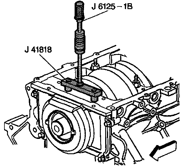
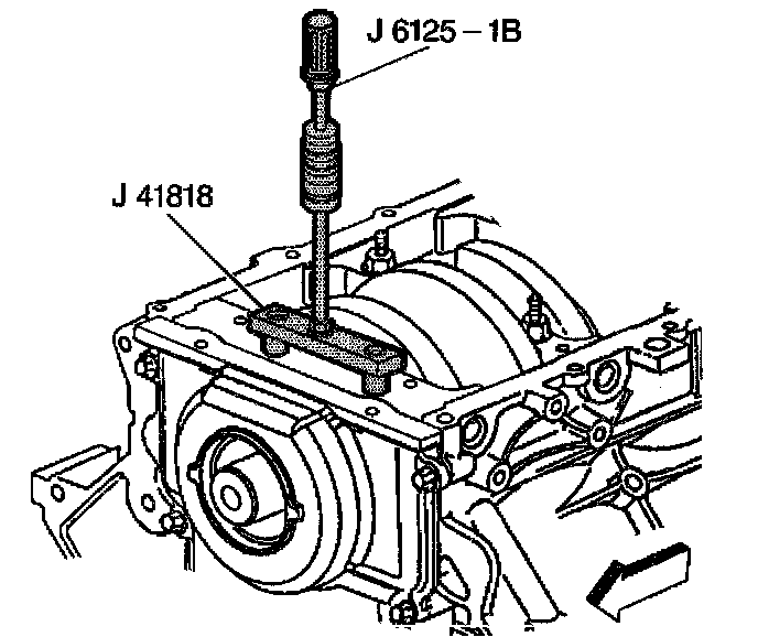
- J 6125- 1B Slide Hammer
- J 7872 Magnetic Base Dial Indicator Set
- J 36660-A Torque Angle Meter
- J 41818 Crankshaft Bearing Cap Remover
Cleaning Procedure
Important: Use care when handling the crankshaft. Avoid damage to the bearing surfaces or the lobes of the crankshaft position reluctor ring. Damage to the teeth of the crankshaft position reluctor ring may effect On-Board Diagnostics (OBD) 11 system performance.

1. Clean the crankshaft with solvent.
2. Thoroughly clean all oil passages and inspect for restrictions or burrs.
Caution: Wear safety glasses in order to avoid eye damage.
3. Dry the crankshaft with compressed air.
Inspection Procedure
Important: The reluctor ring teeth should not have imperfections on the rising or falling edges.
Imperfections of the reluctor ring teeth may effect OBD 11 system performance.

1. Perform a visual inspection of the crankshaft for damage.
2. Inspect the crankshaft position reluctor ring lobes for damage.

3. Inspect the crankshaft journals for wear (1). Journals should be smooth with no signs of scoring, wear, or damage.
4. Inspect the crankshaft journals for grooves or scoring (2).
5. Inspect the crankshaft journals for scratches or wear (3).
6. Inspect the crankshaft journals for pitting or imbedded bearing material (4).

7. Inspect the crankshaft key (1), keyway (2), and threaded hole (3) for damage.

8. Measure the crankpins for the out-of-round.
9. Measure the crankpins for taper.

10. Measure the crankshaft thrust wall width.
A crankshaft with a thrust wall width in excess of 26.2 mm (1.0315 inch) must be replaced.

11. Measure the crankshaft runout.
Use wooden V blocks or a fixture to support the crankshaft on the front and rear journals.
12. Use the J 7872 in order to measure the crankshaft runout at the front and rear intermediate journals.
13. Use the J 7872 in order to measure the runout of the crankshaft rear flange.
14. Use the J 7872 in order to measure the runout of the crankshaft position reluctor ring. Reluctor ring runout should be measured 1.0 mm (0.04 inch) below the ring teeth.
If the reluctor ring has runout in excess of 0.7 mm (0.028 inch), replace the crankshaft.

15. Inspect crankshaft bearings for craters or pockets. Flattened sections on the bearing halves also indicate fatigue.

16. Inspect the crankshaft bearings for excessive scoring or discoloration.
17. Inspect the crankshaft bearings for dirt or debris imbedded into the bearing material.

18. Inspect the crankshaft bearings for improper seating indicated by bright, polished sections of the bearing.
If the lower half of the bearing is worn or damaged, both upper and lower halves should be replaced.
Generally, if the lower half is suitable for use, the upper half should also be suitable for use.
Measuring Main Bearing Clearance

Important: The crankshaft main bearings are a precision insert type. Main bearing caps are machined with the engine block for proper clearance and cannot be shimmed or filed for bearing fit. If the clearances are found to be excessive, new bearings and/or engine block and cap repair or replacement may be required,
Do not rotate the crankshaft while gauging plastic is between the crankshaft journal and the bearing surface.
The crankshaft bearing clearances are critical. Excessive bearing clearance may effect crankshaft position sensor signals and may effect On-Board Diagnostics (OBD) 11 system operation.
Important: Remove the bearing cap side bolts prior to cap removal.
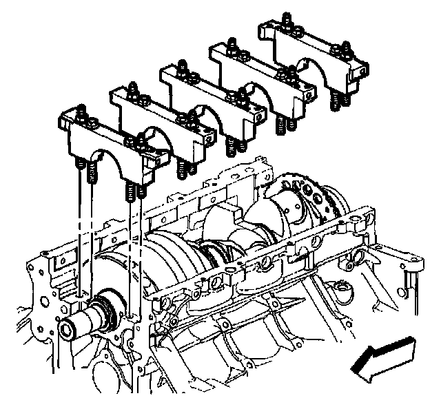
1. Remove the bearing cap M8 side bolts.

2. Remove the bearing cap M10 bolts and studs.

Notice: Refer to Fastener Notice in Service Precautions.
3. Install the J 41818 to the bearing cap.
- Tighten the J 41818 bolts to 11 Nm (100 inch lbs.).
4. Install the J6125-1b to the J41818in order to remove the bearing cap.

5. Remove the bearing cap and lower bearing.

6. Install gauging plastic onto the crankshaft journal. Install the gauging plastic the full width of crankshaft bearing journal.

7. Install the bearing, bearing cap, bolts and bolt/studs.
7.1. Tighten the inner bolts (1-10) a first pass in sequence to 20 Nm (15 ft. lbs.).
7.2. Tighten the inner bolts (1-10) a final pass in sequence to 80 degrees using the J 36660-A.
7.3. Tighten the outer bolt/studs (11-20) a first pass in sequence to 20 Nm (15 ft. lbs.).
7.4. Tighten the outer bolt/studs (11-20) a final pass in sequence to 53 degrees using the J 36660-A.
7.5. Tighten the side cap bolts to 25 Nm (18 ft. lbs.).
- Tighten the bolt on one side of the bearing cap and then tighten the bolt on the opposite side of the same bearing cap.

Important: Remove the, bearing cap side bolts prior to cap removal.

8. Remove the bearing cap M8 side bolts.
9. Remove the bearing cap bolts and bolt/studs.

10. Use the J 41818 and the J 6125- 1B in order to remove the bearing cap.

11. Measure the gauging plastic at its widest area using the scale supplied with the plastic gauging kit.
- If the gauging plastic shows irregularity in the journal exceeding 0.025 mm (0.001 inch), remove the crankshaft and measure the journal with a micrometer.
- If the bearing clearance is greater than 0.052 mm (0.0021 inch), select and install an undersized bearing set, and measure the clearance with gauging plastic.
- If clearance cannot be brought to specifications, replace the crankshaft or grind the crankshaft for use with the next undersized bearing.

12. Measure the crankshaft end play.
12.1. Thrust the crankshaft forward or rearward.
12.2. Insert a feeler gauge between the center crankshaft bearing and the bearing surface of the crankshaft and measure the bearing clearance.
The proper crankshaft end play clearance is 0.04 - 0.2 mm (0.0015 - 0.0078 inch).
12.3. If the bearing clearance is not within specifications:
- Inspect the thrust surfaces for nicks, gouges or raised metal. Minor imperfections may be removed with a fine stone.
- Replace the thrust bearings and measure the end play.
- If the correct measurements cannot be obtained, repair the crankshaft thrust surfaces or replace the crankshaft.
Measuring Connecting Rod Bearing Clearance
Important: Connecting rod bearings are a precision insert type. Connecting rods are of a powdered metal design and cannot be shimmed or filed for bearing fit. If clearances are found to be excessive, a new bearing and/or connecting rod are required.
Do not rotate the crankshaft while gauging plastic is between the crankshaft journal and the bearing surface.

1. Remove the bearing cap, bearing half and bolts.

2. Install the gauging plastic onto the connecting rod bearing journal. Install the gauging plastic the full width of the journal.

Notice: Refer to Fastener Notice in Service Precautions.
3. Install the bearing cap, bearing, and bolts.
3.1. Tighten the connecting rod bolts first pass to 20 Nm (15 ft. lbs.).
3.2. Tighten the first design connecting rod bolts a final pass to 60 degrees using the J 36660-A.
3.3. Tighten the second design connecting rod bolts a final pass to 85 degrees using the J 36660-A.
4. Remove the bearing cap, bearing, and bolts.

5. Measure the gauging plastic at its widest area using the scale supplied with the plastic gauging kit.
The connecting rod bearing clearance should be 0.023 - 0.076 mm (0.0009 - 0.003 inch).