30. Engine Block Plug Removal
Engine Block Plug Removal- Tools Required
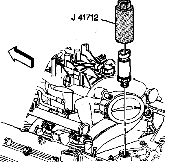
- J 41712 Oil Pressure Sensor Socket

Important: Do not remove the engine block front oil gallery plug unless service is required.
If the front oil gallery plug is removed for service, a NEW oil gallery plug must be installed.
1. Remove the oil pressure sensor, if not previously removed, using the J 41712 or equivalent.

2. Remove the engine block right rear coolant plug.

3. Remove the engine block coolant heater, if applicable.

4. Remove the engine block left rear coolant plug, if applicable.

5. Remove the engine block left front oil gallery plug,

6. Remove the engine block left rear oil gallery plug.
7. Inspect the block plug sealing washers.
If the block plug and heater sealing washers are not damaged, they may be used during assembly.

8. Remove the engine block rear oil gallery plug.
9. Inspect the O-ring seal of the rear oil gallery plug.
If the O-ring seal is not cut or damaged, the plug and O-ring seal may be use during assembly.

Important: Remove the front oil gallery plug only if service is required.
If the front oil gallery plug is removed, a NEW oil gallery plug must be installed.
10. Remove the engine block front oil gallery plug.