25. Oil Pump, Pump Screen and Deflector Removal
Oil Pump, Pump Screen and Deflector Removal
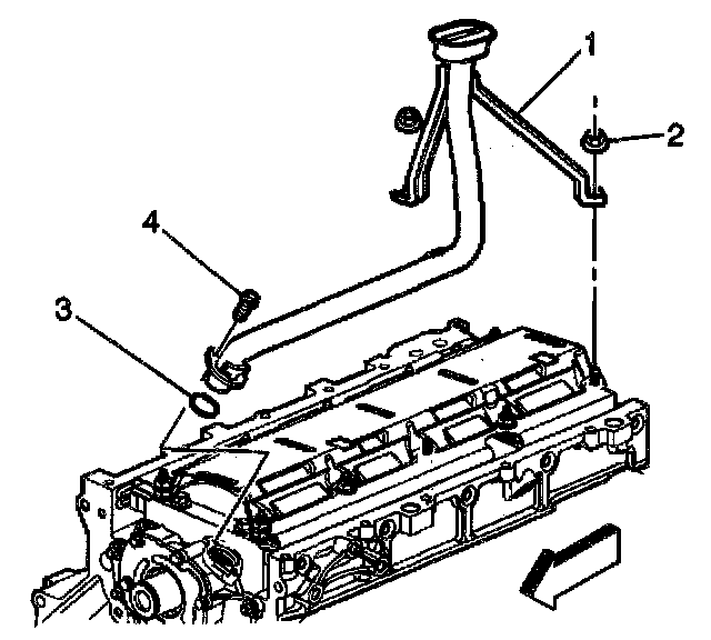
1. Remove the oil pump screen bolt (4) and nuts (2).
2. Remove the oil pump screen (1) with O-ring seal (3).
3. Remove the O-ring seal from the pump screen.
4. Discard the O-ring seal.

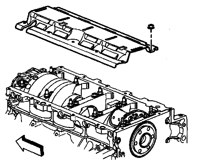
5. Remove the remaining crankshaft oil deflector nuts.
6. Remove the crankshaft oil deflector.

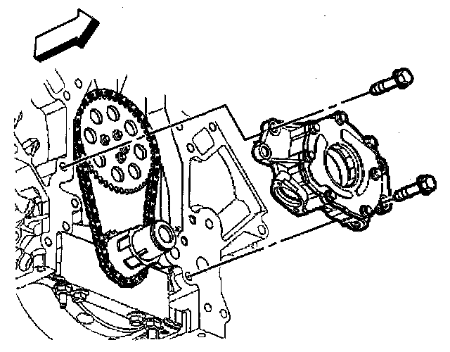
7. Remove the oil pump bolts.
Important: Do not allow dirt or debris to enter the oil pump assembly, cap ends as necessary.
8. Remove the oil pump.