14. Engine Block Valley Cover Removal
Engine Valley Cover Removal
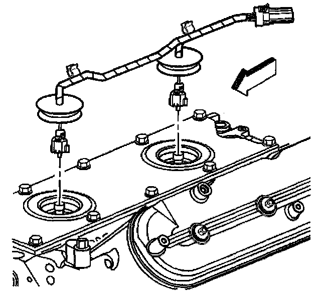
1. Remove the knock sensor wire harness.

2. Remove the knock sensors.

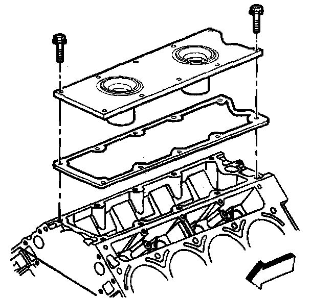
3. Remove the valley cover bolts.
4. Remove the valley cover and gasket.
5. Discard the valley cover gasket.

6. Remove the knock sensor oil seals (1) from the cover (2).