11. Intake Manifold Removal
Intake Manifold RemovalImportant: The intake manifold, throttle body, fuel injection rail, and fuel injectors may be removed as an assembly. If not servicing the individual components, remove the manifold as a complete assembly.
DO NOT reuse the intake manifold-to-cylinder head gaskets.

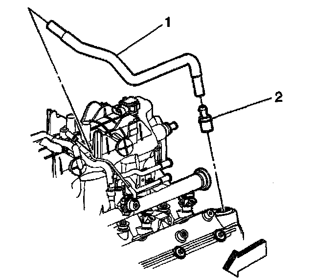
1. Remove the Positive Crankcase Ventilation (PCV) hose (1) and valve (2).

2. Remove the Manifold Absolute Pressure (MAP) sensor (1), if required.
3. Remove the engine coolant air bleed clamp and hose from the throttle body.

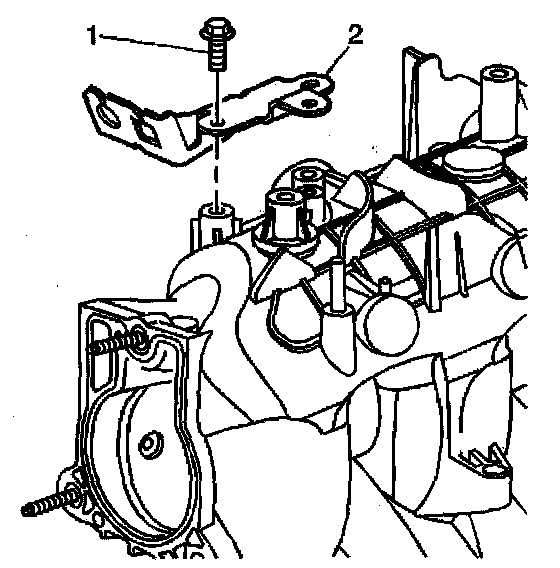
4. Remove the accelerator control cable bracket (2) and bolts (1), if required.

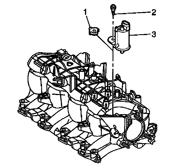
5. Remove the Evaporative Emission (EVAP) solenoid (3), bolt (2), and isolator (1).

6. Remove the intake manifold bolts.
7. Remove the intake manifold with gaskets.

8. Separate the intake manifold-to-cylinder head gaskets (1) from the manifold.
9. Discard the intake manifold gaskets.