7. Exhaust Manifold Removal - Right
Exhaust Manifold Removal - RightImportant: Do not remove the Exhaust Gas Recirculation (EGR) valve from the pipe assembly unless service is required.

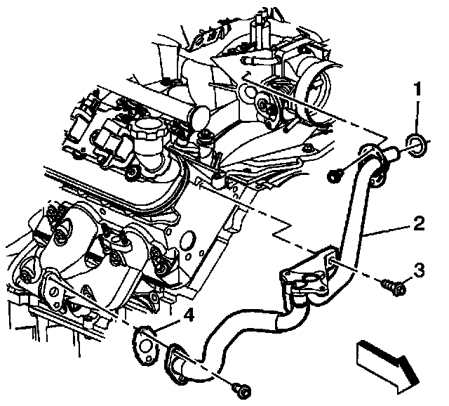
1. Remove the EGR valve, gasket, and bolts.

2. Remove the EGR pipe bolt (1) from the intake manifold.

3. Remove the EGR pipe bolts (1) and gasket from the exhaust manifold.

4. Remove the EGR pipe bolts (3) from the cylinder head.
5. Remove the EGR pipe assembly.
With mild force, pull the EGR pipe (2) from the intake manifold.
6. Remove the O-ring seal (1) from the EGR pipe assembly.
7. Discard the exhaust manifold gasket (4) and O-ring seal (1).

Important: In order to properly remove the exhaust manifold, remove the AIR components when applicable.
Do not remove the check valve from the Air Injection Reaction (AIR) pipe unless service is required,
8. Remove the AIR pipe (with check valve), nuts and gasket from the right exhaust manifold.
9. Remove the AIR pipe studs from the manifold (if required).

10. Remove the spark plug wires from the spark plugs.
Do not remove the spark plug wires from the ignition coils unless required.
11. Remove the exhaust manifold, bolts, and gasket.
12. Discard the gasket.

13. Remove the heat shield (2) and bolts (3) from the manifold (1) (if required).