2. Crankshaft Balancer Removal
Crankshaft Balancer Removal- Tools Required
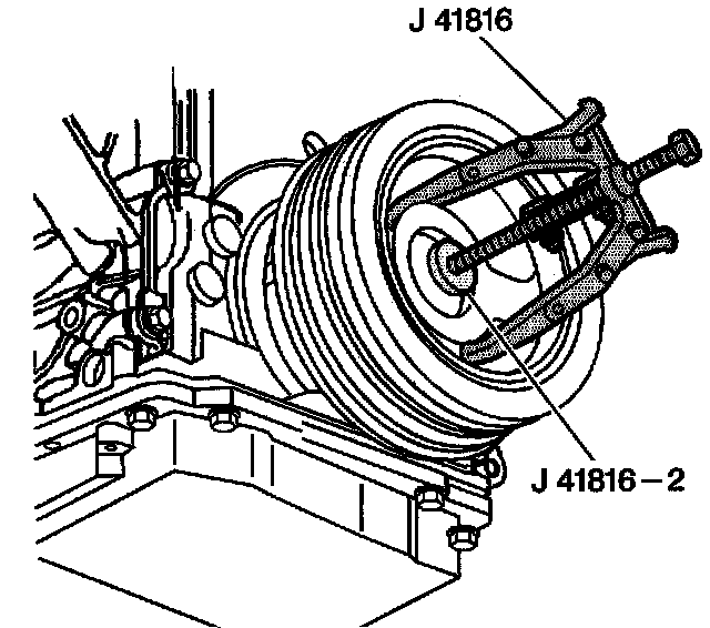
- J 41816 Crankshaft Balancer Remover
- J 41816-2 Crankshaft End Protector
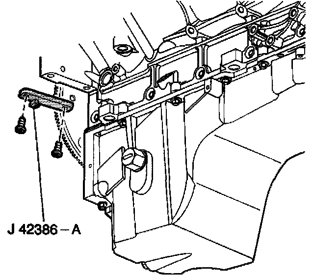
- J 42386-A Flywheel Holding Tool
Notice: Refer to Fastener Notice in Service Precautions.

Important:
- Do not reuse the crankshaft balancer bolt. Install a NEW crankshaft balancer bolt during final assembly.
- Make sure that the teeth of the flywheel holding tool mesh with the teeth of the engine flywheel.
1. Install the J 42386-A and bolts.
Use one M-10-1.5 x 120 mm and one M10-1.5 x 45 mm bolt for proper tool operation.
- Tighten the J 42386-A bolts to 50 Nm (37 ft. lbs.).

2. Remove the crankshaft balancer bolt.
Do not discard the crankshaft balancer bolt. The balancer bolt will be used during the balancer installation procedure.

3. Use the J 41816 and the J 41816-2 in order to remove the crankshaft balancer.
4. Remove the J 42386-A and bolts.