1. Draining Fluids and Oil Filter Removal
Draining Fluids and Oil Filter Removal- Tools Required
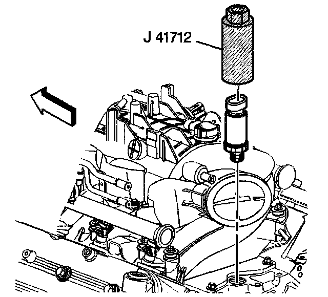
- J 41712 Oil Pressure Sensor Socket
Important: In order to completely drain the oil, the bottom of the oil pan must be level during the oil drain procedure.

1. Remove the oil pan drain plug and allow the oil to drain.

2. Remove the engine oil filter.

3. Remove the right rear engine block coolant drain plug and allow the coolant to drain.

4. Remove the left rear engine block coolant drain plug, if applicable, and allow the coolant to drain.

5. Remove the engine block coolant heater, if applicable, and allow the coolant to drain.

6. Use the J 41712 or equivalent in order to remove the oil pressure sensor, if required.