Steps 41-87
41. Reposition the harness ground, and engine ground strap from the block.42. Disconnect the following electrical connectors:
- Oil pressure sensor (1)
- Camshaft Position (CMP) sensor (2)
43. Unclip all of the engine harness clips from the engine.

44. Remove the battery cable junction block from the junction block bracket.

45. Remove the EVAP purge solenoid vent tube, perform the following:
- Remove the EVAP tube end (2) from the solenoid (1).
- Remove the EVAP tube end (3) from the vapor pipe.

46. Disconnect the fuel pipes.
47. Raise the vehicle.
48. Disconnect the following electrical connectors:
- The Crankshaft Position (CKP) sensor (1)
- The engine oil level sensor (6)
- The coolant heater, if equipped

49. Remove the battery cable channel bolt.
50. Slide the channel pin out of the oil pan tab.
51. Gather all branches of the engine wiring harness and reposition off to the side.
52. Lower the vehicle.

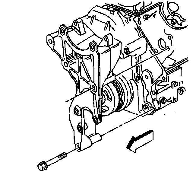
53. Remove the rear power steering pump-to-engine block bolt.
54. Remove the generator bracket mounting, bolts.
55. Position the bracket aside.

56. Remove the vacuumed booster hose.
57. Remove the ignition coil(s) (as required) for the proper fit of the J 41798 before lifting the engine.

Notice: Refer to Fastener Notice in Service Precautions.

58. Install the J 41798 to the cylinder heads.
- Tighten the M8 engine lift bracket bolts to 25 Nm (18 ft. lbs.).
- Tighten the M10 engine lift bracket bolts to 50 Nm (37 ft. lbs.).
59. Remove the left and right engine mount-to-engine mount bracket bolts.
60. Raise and suitably support the vehicle. Refer to Vehicle Lifting.

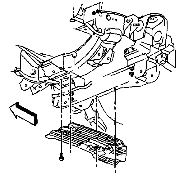
61. Remove the engine shield bolts and shield.

62. Remove the oil pan skid plate bolts and plate, if equipped.
63. Drain the engine oil.
64. Remove the starter motor.
65. Remove the catalytic converter.

66. Remove the positive battery cable clip bolt and clip.
67. Remove the flywheel to torque converter bolts, if equipped.

68. Remove the transmission oil level indicator tube nut, if equipped.

69. Remove the transmission oil level indicator tube, if equipped.

70. If equipped with the 4L60-E automatic transmission, remove the transmission bolt and stud on the right side.

71. If equipped with the 4L80-E automatic transmission, remove the transmission converter cover bolts.

72. Remove the automatic transmission bolt/studs, if equipped.
73. Separate the engine from the automatic transmission, if equipped.
Install the J 21366 to the transmission in order to hold the torque converter.

74. Using the J 42371, remove the clutch line from the concentric slave cylinder.

75. Remove the manual transmission stud on the right side of the transmission, if equipped.

76. Remove the manual transmission bolt/studs, if equipped.
77. Separate the manual transmission from the engine, if equipped.

78. Mark the flywheel ~and a clutch pressure plate lug for installation alignment.
79. Remove the clutch pressure plate bolts, if equipped.
80. Remove the clutch pressure plate and disc, if equipped.
81. Lower the vehicle.
82. Install an engine hoist to the J 41798
83. Install a floor jack under the transmission for support.
Notice: Use care while moving the engine assembly in order to avoid breaking the MAP sensor locating tabs. Broken MAP sensor tabs may result in decreased engine performance.
84. Remove the engine.
85. Install the engine to an engine stand.
86. Remove the engine hoist.

87. Remove the J 41798 from the engine.