Steps 1-40
Engine Replacement- Tools Required
- J 41798 Engine Lifting Brackets
- J 21366 Converter Holding Strap
- J 42371 Clutch Line Removal Tool
- J 5824-01 Clutch Alignment Tool
Removal Procedure

1. Open the hood.
2. Place fender covers over both fenders.
3. Raise the hood to the service position, perform the following:
3.1. Remove the hood hinge bolts (1).
3.2. Raise the hood until vertical.
3.3. Install the hood hinge bolts until snug in the service position (2).
4. Remove the air conditioning (AC) compressor.
5. Remove the radiator supports.

6. Reposition the radiator inlet hose clamp at the water pump.
7. Remove the radiator inlet hose from the water pump.

8. Reposition the radiator outlet hose clamp at the water pump.
9. Remove the radiator outlet hose from the water pump.
10. Remove the heater hoses.

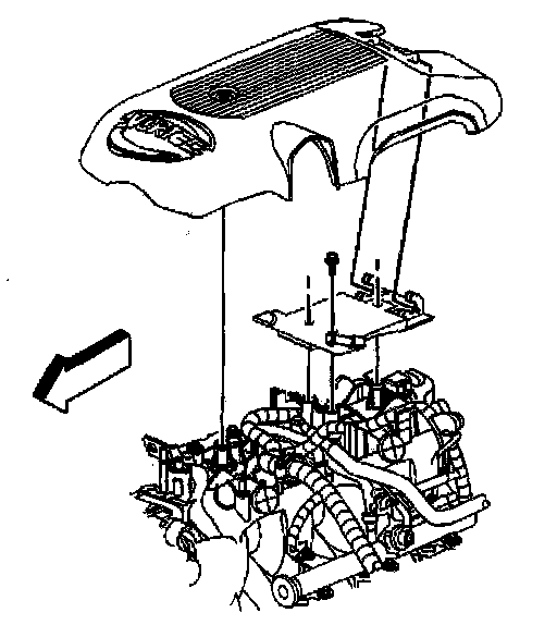
11. If equipped with the regular production options (RPO's) and Z88, loosen the intake manifold sight shield\bolt.
12. Remove the sight shield from the retainer.

13. If equipped with the 6.0L with RPO's Y91 AND Z88, loosen the intake manifold sight shield bolt.
14. Remove the sight shield from the retainer.

15. If equipped with the 6.0L with RPO's Y91 and Z88, loosen the left fuel rail cover bolts.
16. Remove the left fuel rail cover.

17. If equipped with the 6.0L with RPO's Y91 and Z88, loosen the right fuel rail cover bolts.
18. Remove the right fuel rail cover.

19. Unsnap the cruise control cable from the throttle body lever, if equipped.
20. Remove the cruise control cable from the bracket, if equipped.

21. Remove the cruise control cable clip from the sight shield retainer, if equipped.

22. Disconnect the accelerator control cable from the throttle body lever, if required.
23. Remove the accelerator control cable from the bracket, if required.

24. Remove the accelerator control cable from the sight shield retainer, if required.
25. Remove the upper intake manifold sight shield retainer bolts and retainer, if necessary.

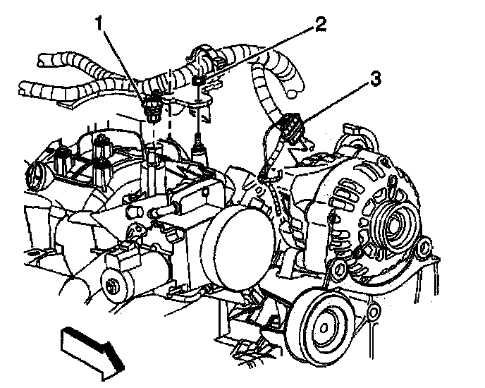
26. Disconnect the following electrical connectors:
- Evaporative Emissions (EVAP) canister purge solenoid (1)
- Generator (3)

27. Remove the harness bracket nut (2) in order to remove the engine harness from the intake manifold.
28. Reposition the vent inlet hose clamp at the throttle body.
29. Remove the radiator vent inlet hose from the throttle body.

30. Remove the generator cable from the generator, perform the following:
- Slide the boot down revealing the terminal stud.
- Remove the generator cable nut from the terminal stud.
- Remove the generator cable.

31. Disconnect the main coil harness (2) and fuel injector (3) electrical connectors on the left side.

32. Disconnect the following electrical connectors:
- Main coil harness (1)
- Fuel injectors (3)
- Exhaust Gas Recirculation (EGR) valve (4)

33. Disconnect the Throttle Position (TP) sensor and Idle Air Control (IAC) valve electrical connectors.

34. Disconnect the Manifold Absolute Pressure (MAP) sensor (1) and knock sensor (2) electrical connectors.
35. Remove the harness ground bolt.

36. Reposition the harness ground and negative battery cable from the block.
37. Disconnect the following electrical connectors:
- Coolant temperature sensor (1)
- Electronic variable orifice switch (2)

38. Remove the harness ground bolt at the right rear of the engine block.
39. Reposition the harness ground, and auxiliary negative battery cable, (if equipped) from the block.
40. Remove the harness ground bolt at the left rear of the engine block