Steps 1-45
Installation ProcedureNotice: Refer to Fastener Notice in Service Precautions.

1. Install the J 41798 to the engine.
- Tighten the M8 engine lift bracket bolts to 25 Nm (18 ft. lbs.).
- Tighten the M10 engine lift bracket bolts to 50 Nm (37 ft. lbs.).
2. Install an engine hoist to the J 41798.
3. Remove the engine from the engine stand.

4. Install the engine to the vehicle.
5. Align the engine and transmission.
6. Install the left and right engine mount-to-engine mount bracket bolts.
- Tighten the engine mount-to-engine mount bracket bolts to 65 Nm (48 ft. lbs.).
7. Install the upper transmission bolts until snug.
8. Remove the floor jack from under the transmission.
9. Remove the engine hoist.

10. Remove the J 41798 from the engine,

11. Install the ignition coil(s) and the spark plug wire(s).
12. Raise the vehicle.

13. Install the disc and clutch pressure plate and bolts until snug, if equipped.
14. Use the J 5824-01 to align the clutch disc splines with the pilot bearing.
15. Align the marks made during removal.

16. Tighten the clutch pressure plate bolts.
- Tighten the clutch pressure plate bolts in sequence (as shown) and evenly over 3 increments with the fourth increment to 70 Nm (52 ft. lbs.).

17. Install the clutch line to the concentric slave cylinder.

18. Install the manual transmission bolt/studs, if equipped.

19. Install the manual transmission stud on the right side of the transmission, if equipped.
- Tighten the manual transmission bolt/studs to 50 Nm (37 ft. lbs.).

20. Remove the J 21366 from the transmission.
21. Install the automatic transmission bolt/studs, if equipped.

22. If equipped with the 4L80-E automatic transmission, install the transmission converter cover bolts.

23. if equipped with the 4L60-E automatic transmission, install the transmission bolt and stud on the right side.
- Tighten the automatic transmission bolts/studs to 50 Nm (37 ft. lbs.).

24. Install the automatic transmission oil level indicator tube, if equipped.

25. Install the automatic transmission oil level indicator tube nut, if equipped.
- Tighten the automatic transmission oil level indicator tube nut to 18 Nm (13 ft. lbs.).
26. Install the flywheel to torque converter bolts.

27. Install the positive battery cable clip and bolt.
- Tighten the positive battery cable clip bolt to 9 Nm (80 inch lbs.).
28. Install the catalytic converter.
29. Install the starter motor.

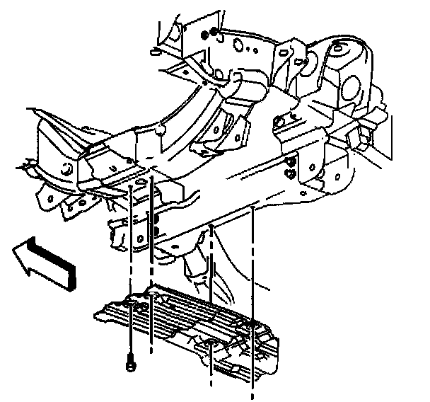
30. Install the oil pan skid plate and bolts, if equipped.
- Tighten the oil pan skid plate bolts to 20 Nm (15 ft. lbs.).

31. Install the engine shield and bolts.
- Tighten the engine shield bolts to 20 Nm (15 ft. lbs.).
32. Lower the vehicle.

33. Install the vacuum brake booster hose.

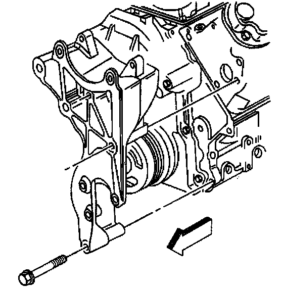
34. Position the generator bracket to the front of the engine.
35. Install the generator bracket bolts until snug.
36. Install the rear power steering pump-to-engine block bolt until snug.
- Tighten the rear power steering pump bolt to 50 Nm (37 ft. lbs.).
- Tighten the generator bracket bolts to 50 Nm (37 ft. lbs.).
37. Route the engine wiring harness to the lower engine area.

38. Raise the vehicle.
39. Slide the channel pin into the oil pan tab.
40. Install the battery cable channel bolt.
- Tighten the battery cable channel bolt to 12 Nm (106 inch lbs.).

41. Connect the following electrical connectors:
- The CKP sensor (1)
- The engine oil level sensor (6)
- The coolant heater, if equipped
42. Lower the vehicle.
43. Connect the fuel pipes.

44. Install the EVAP purge solenoid vent tube to the solenoid (1).
45. Install the EVAP tube end (3) to the vapor pipe.