Operation CHARM
: Car repair manuals for everyone.
Home
>>
GMC
>>
2001
>>
C 1500 Yukon 2WD V8-5.3L VIN T
>>
Repair and Diagnosis
>>
Cruise Control
>>
Diagrams
>>
Electrical Diagrams
>>
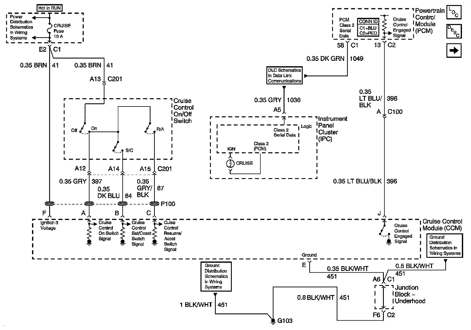
Without Electronic Throttle Control
Without Electronic Throttle Control
Cruise Control Module
(CCM) and
Cruise Control
On/Off Switch
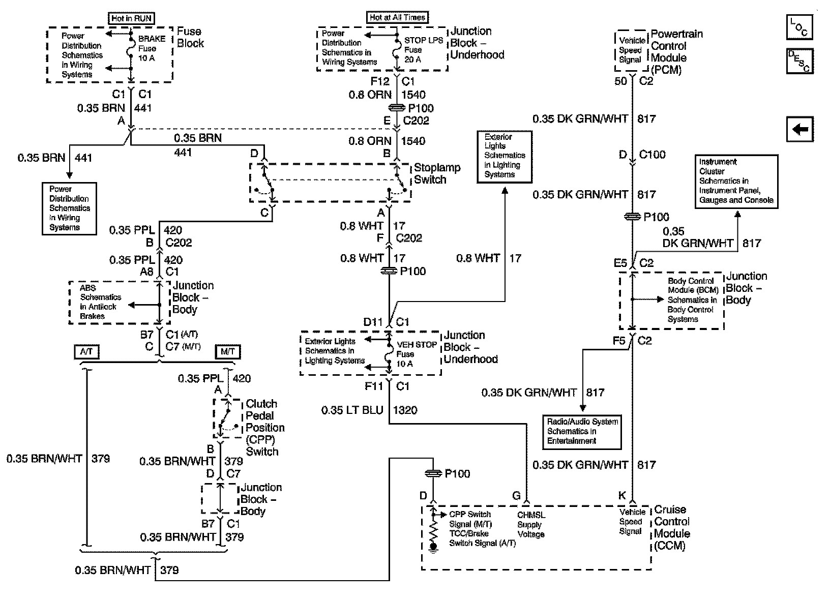
Cruise Control Module
(CCM), Clutch Pedal Position Switch, Stoplamp Switch