Operation CHARM
: Car repair manuals for everyone.
Home
>>
GMC
>>
2001
>>
C 1500 Yukon 2WD V8-5.3L VIN T
>>
Repair and Diagnosis
>>
Cruise Control
>>
Diagrams
>>
Electrical Diagrams
>>
With Electronic Throttle Control
With Electronic Throttle Control
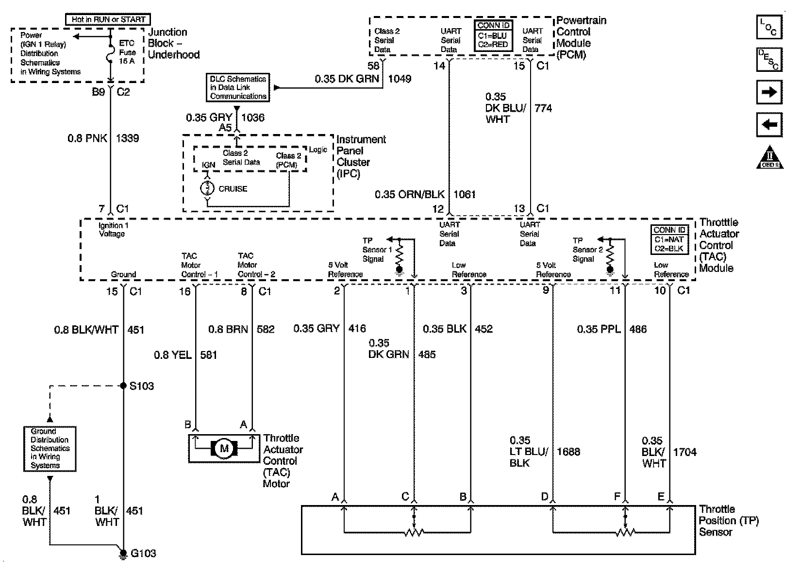
Throttle Actuator Control (TAC) Module, ETC Fuse, Throttle Position Sensor
Cruise Control
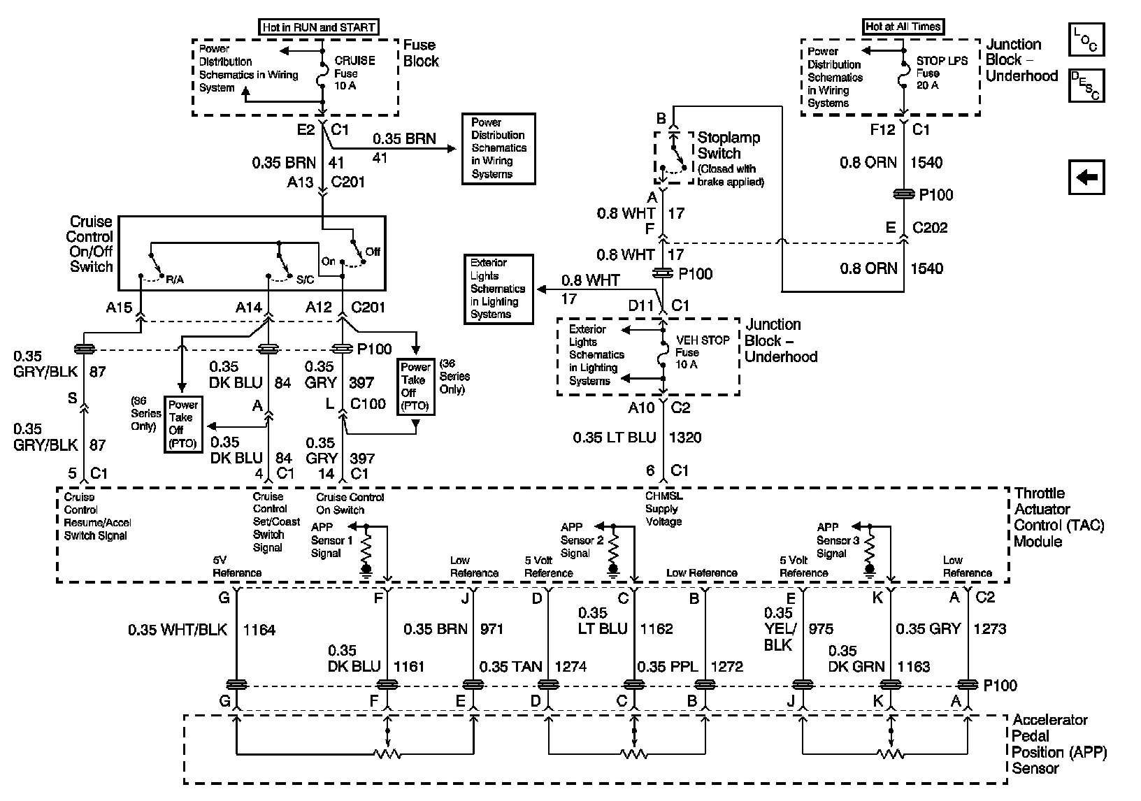
ON/OFF Switch, STOP LPS Fuse, and Accelerator Pedal Position (APP) Sensor