Front Seat Replacement - Bucket
Front Seat Replacement - Bucket
Removal Procedure

Caution: Refer to SIR Caution in Service Precautions.
1. If equipped with side air bags, disable the SIR system. Refer to Disabling the SIR System in SIR.
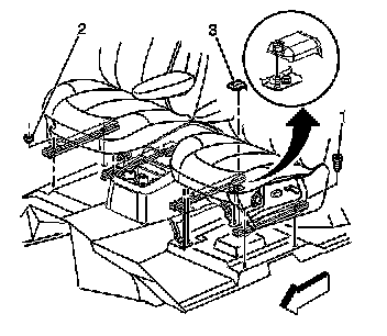
2. Move the seat to the full rearward position. Remove the front seat nut cover (3), if equipped.
3. Remove the seat retaining front nuts (2).
4. Move the seat to the full forward position in order to remove the seat retaining rear bolts (1).
5. Disconnect the electrical harness, if equipped.
6. Remove the seat from the vehicle.
Installation Procedure

1. Position the seat in the vehicle.
2. Connect the electrical harness, if equipped.
Notice: Refer to Fastener Notice in Service Precautions.
3. Move the seat to the full forward position in order to install the seat retaining rear bolts (1).
Tighten the retaining rear bolts to 55 N.m (41 lb ft).
4. Install the front seat adjuster nut cover (3), if equipped.
5. Move the seat to the full rearward position and install the seat retaining front nuts (2).
Tighten the nuts to 55 N.m (41 lb ft).
6. If equipped with side air bags, enable the SIR system. Refer to Enabling the SIR System in SIR.