Operation CHARM
: Car repair manuals for everyone.
Home
>>
GMC
>>
2001
>>
C 1500 Yukon 2WD V8-5.3L VIN T
>>
Repair and Diagnosis
>>
Body and Frame
>>
Roof and Associated Components
>>
Sunroof / Moonroof
>>
Diagrams
>>
Electrical Diagrams
Electrical Diagrams
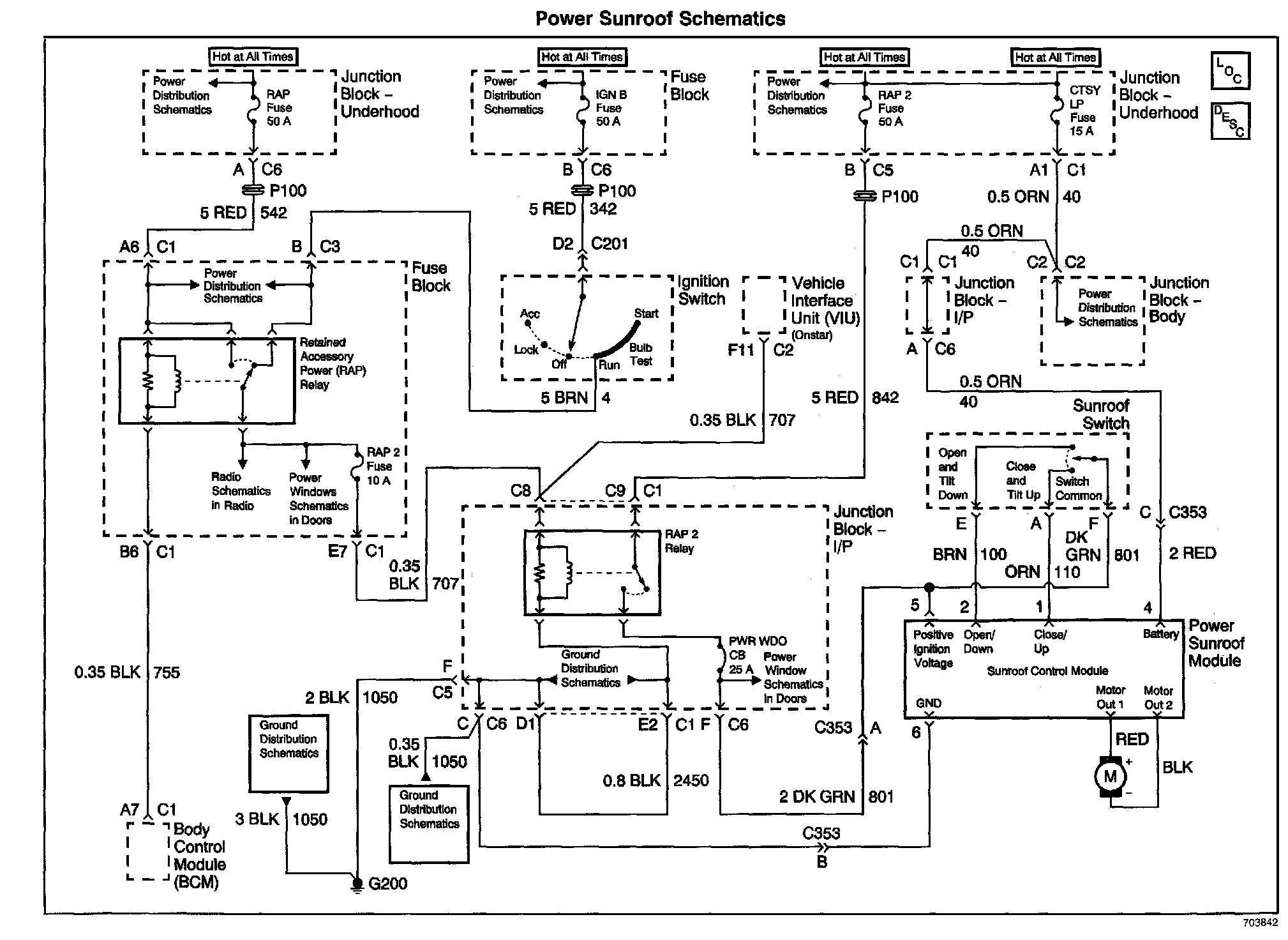
Power Sunroof Schematics: