Console Replacement (Luxury Console)
Console Replacement (Luxury Console)
Removal Procedure
1. Remove both front seats.
2. Remove the console bezel.

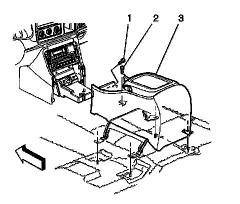
3. Remove the two bolts (1) attaching the floor console to the front extension.
4. Remove the bolt (2) attaching the floor console to the subwoofer box, if equipped.
5. Lift up the console assembly from the floor studs and move rearwards to gain access to the wire harness connector.
6. Disconnect the wire connector.
7. Remove the console assembly (3) from the vehicle.
Installation Procedure

1. Place the console assembly in the vehicle in other to connect the wire connector.
2. Connect the wire connector.
3. Install the console over the studs.
Notice: Refer to Fastener Notice in Service Precautions.
4. Install the two front console bolts (1) to the front extension.
Tighten the two bolts to 1.6 N.m (14 lb in).
5. Install the bolt (2) to the subwoofer box, if equipped.
Tighten the bolt to 1.6 N.m (14 lb in).
6. Install the console bezel.
7. Install both front seats.