Operation CHARM
: Car repair manuals for everyone.
Home
>>
GMC
>>
2001
>>
C 1500 Yukon 2WD V8-5.3L VIN T
>>
Repair and Diagnosis
>>
Body and Frame
>>
Doors, Hood and Trunk
>>
Trunk / Liftgate
>>
Diagrams
>>
Electrical Diagrams
Electrical Diagrams
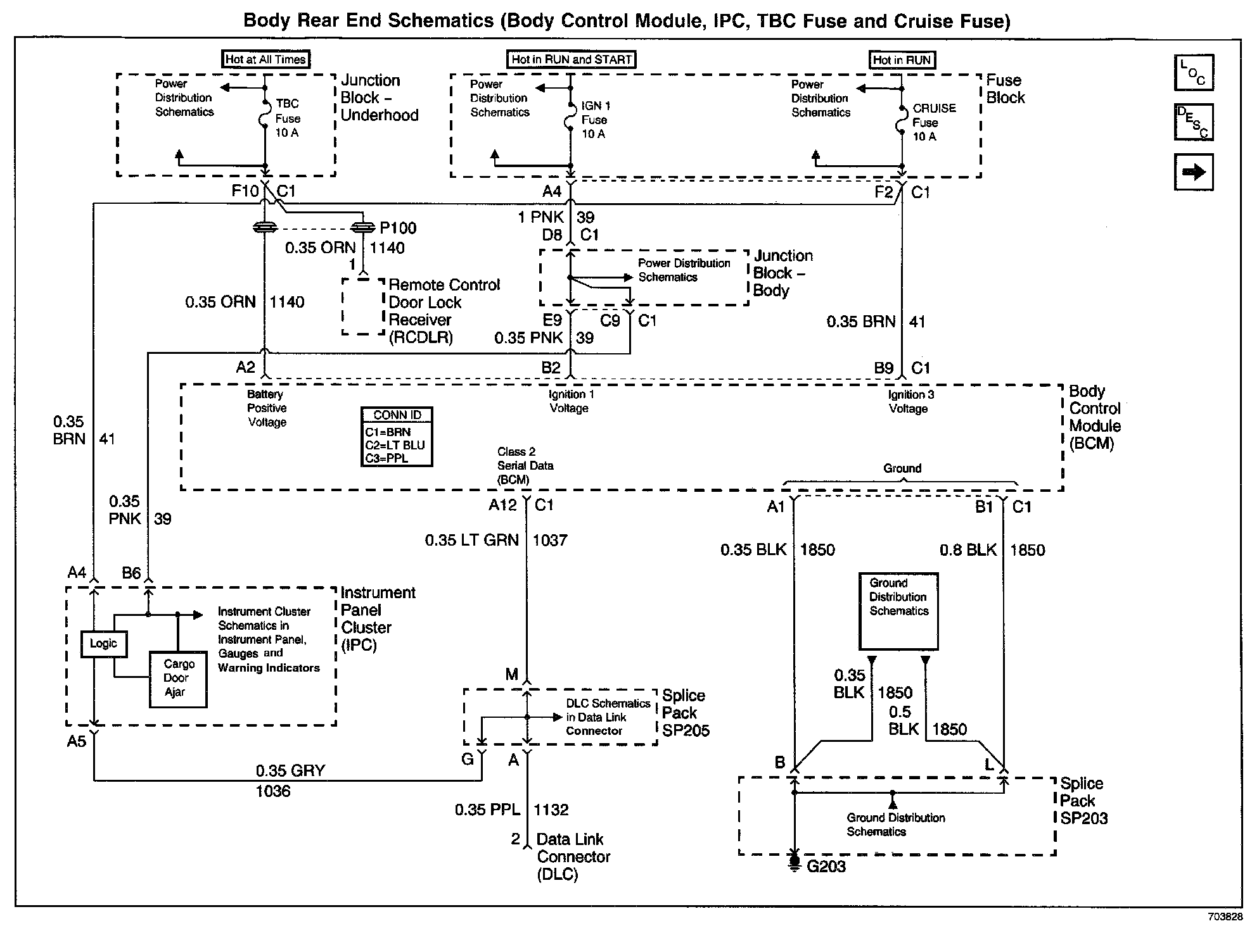
Body Rear End Schematics: Body Control Module, IPC, TBC Fuse and Cruise Fuse:
Body Rear End Schematics: Body Control Module (BCM), Liftgate Ajar Switches, Door Ajar Switches and Liftglass Ajar Switch: