Operation CHARM
: Car repair manuals for everyone.
Home
>>
GMC
>>
2001
>>
C 1500 Yukon 2WD V8-5.3L VIN T
>>
Repair and Diagnosis
>>
Accessories and Optional Equipment
>>
Antitheft and Alarm Systems
>>
Diagrams
>>
Electrical Diagrams
>>
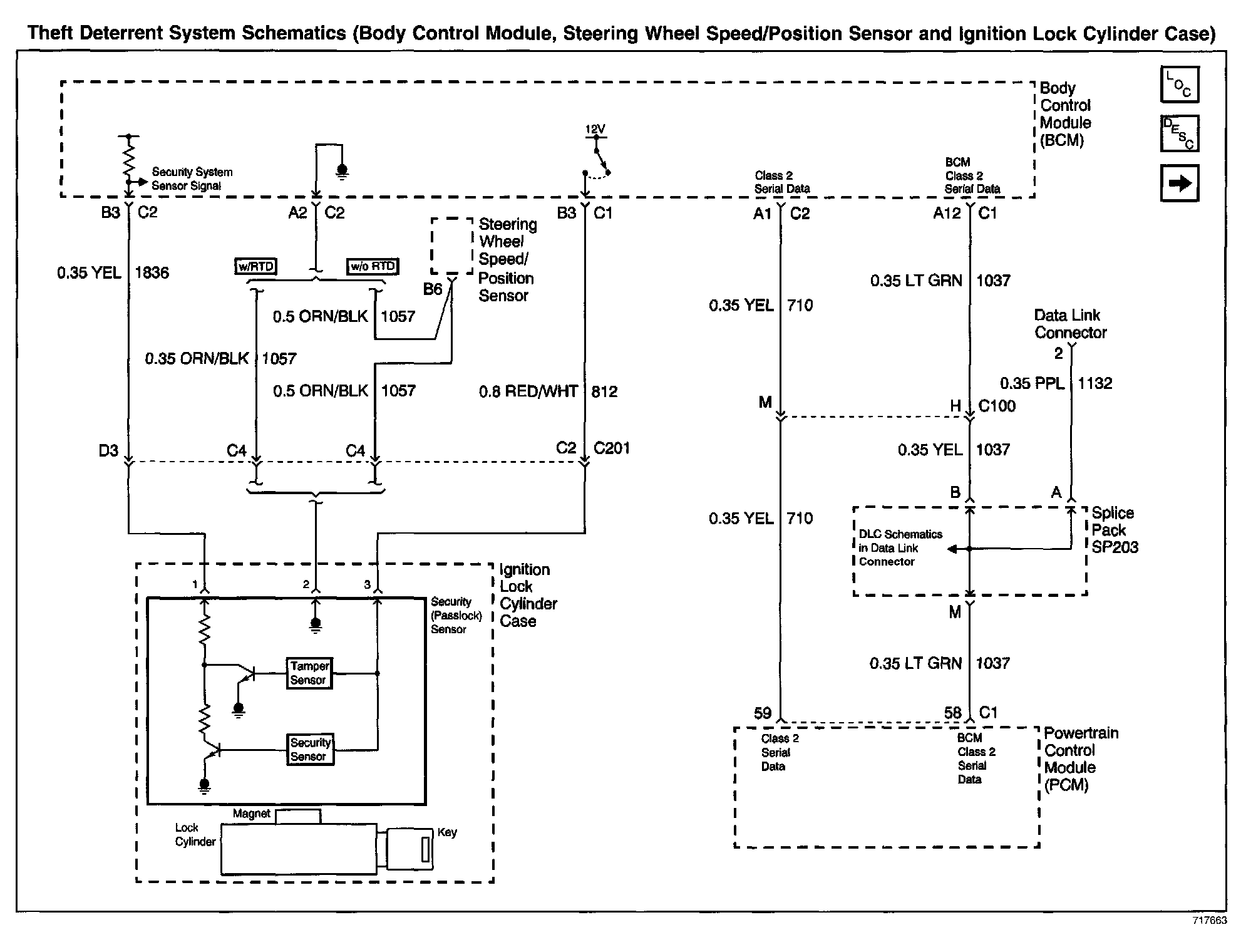
Body Control Module, Steering Wheel Speed/Position Sensor and Ignition Lock Cylinder Case
Body Control Module, Steering Wheel Speed/Position Sensor and Ignition Lock Cylinder Case
Theft Deterrent System Schematics: Body Control Module, Steering Wheel Speed/Position Sensor and Ignition Lock Cylinder Case: